Чтение онлайн

на главную - закладки

Жанры

Искусство схемотехники. Том 2 (Изд.4-е)
Шрифт:

Скорость нарастания: общие соображения. Как отмечалось в разд. 4.11, изменения напряжения выходного сигнала ОУ могут происходить со скоростью, не превышающей некоторого максимума. Этот эффект порождается схемой частотной коррекции ОУ, как увидим при более детальном анализе. Одним из следствий конечности скорости нарастания является ограничение амплитуды выходного сигнала на высоких частотах, равное, как было показано в разд. 4.12 и как видно на рис. 7.6, UПП = S/f, где UПП — полный размах сигнала.

Рис. 7.6. Частотная

зависимость максимального размаха сигнала на выходе ОУ.

Второе следствие лучше всего объяснить с помощью графика зависимости скорости нарастания от напряжения дифференциального входного сигнала (рис. 7.7).

Рис. 7.7. Для получения полной скорости нарастания ОУ требуется значительное дифференциальное входное напряжение.

Смысл его в том, что схема, требующая большой скорости нарастания, работает с существенными напряжениями между входными клеммами ОУ. Это может привести к катастрофическим последствиям в схеме, претендующей на высокую точность.

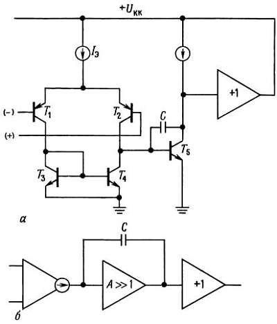
Чтобы понять, чем определяется скорость нарастания, заглянем внутрь операционного усилителя. Подавляющее большинство ОУ могут быть смоделированы схемой, изображенной на рис. 7.8.

Рис. 7.8. Типичная схема частотной коррекции ОУ.

Дифференциальный входной каскад, нагруженный на токовое зеркало, возбуждает каскад с большим коэффициентом усиления по напряжению и с корректирующим конденсатором между выходом и входом. Выходной каскад — пушпульный повторитель с единичным коэффициентом усиления. Корректирующий конденсатор выбирается так, чтобы коэффициент усиления разомкнутой петли усилителя становился равным единице раньше, чем сдвиг фазы, вызванный остальными каскадами усилителя, станет существенным.

Таким образом, С выбирается таким, чтобы fср, полоса частот единичного коэффициента усиления, была близка к полюсу, с которого начинается спад усиления следующего каскада, как описывалось в разд. 4.34. Входной каскад имеет очень высокое выходное сопротивление и для следующего каскада является источником тока.

В операционных усилителях возникает ограничение скорости нарастания, когда выходной сигнал возбуждает один из транзисторов дифференциального каскада почти до насыщения, действуя на следующий каскад полным током эмиттера в дифференциальной паре. Это происходит при дифференциальном входном напряжении около 60 мВ, при котором соотношение токов в дифференциальном каскаде равно 10:1. В этот момент напряжение коллектора Т5 изменяется с максимально возможной скоростью, а весь ток Iэ идет на заряд конденсатора С. Таким образом, Т5 и С образуют интегратор с ограниченной скоростью нарастания на выходе. Выведем выражение скорости нарастания.

Скорость нарастания: детальное рассмотрение. Прежде всего напишем выражение для коэффициента усиления разомкнутого контура по напряжению при малом сигнале переменного тока без учета сдвигов фаз:

АU = gmXC = g/2fC,

откуда полоса единичного усиления (частота, при которой АU = 1) есть

fср = (1/2)(gm/C).

Скорость нарастания определяется током Iэ, заряжающим конденсатор С:

S = dU/dt = Iэ/С.

Для

обычного дифференциального усилителя без эмиттерных резисторов gm связано с Iэ соотношением

gm = 1/rэ = Iэ/2UT = Iэ/50 мВ.

Подставляя это выражение в формулу скорости нарастания, находим

S = 2UTgm/C,

т. е. скорость нарастания пропорциональна gm/C, как и ширина полосы единичного усиления. В самом деле, S = 4UTfср = 0,3fср, где fср выражено в МГц, а S — в В/мкс. Это выражение не зависит от конкретных значений С, gm, Iэ и т. д. и дает хорошую оценку для скорости нарастания (классический ОУ 741, например, имеет fср ~= 1,5 МГц и скорость нарастания порядка 0,5 В/мкс). Отсюда ясно, что ОУ с большим значением произведения ширины полосы пропускания на коэффициент усиления (fср) будет иметь большую скорость нарастания. Нельзя улучшить быстродействие ОУ только увеличивая ток Iэ входного каскада, поскольку увеличение коэффициента усиления (за счет роста gm) требует соответственного увеличения значения С для частотной коррекции. Добавочное усиление в других каскадах ОУ также не помогает.

Из изложенного ясно, что увеличение fср за счет увеличения токов коллекторов, подбора более быстродействующих транзисторов и т. д. увеличивает скорость нарастания. Конечно, всегда желательно иметь большое значение fср, и это хорошо известно разработчику ИС, который конечно же сделал, проектируя кристалл, все, что мог. Тем не менее существует способ обойти ограничение S = 0,3fср, и он основан на том, что крутизна определяется значением Iэ (gm = Iэ/2UT). Можно использовать простой прием для увеличения Iэ (и соответственно скорости нарастания при фиксированном значении fср, а в силу этого и при фиксированной форме частотной характеристики).

Проще всего добавить некоторое сопротивление в эмиттерную цепь дифференциального входного каскада. Предположим, что мы сделали что-нибудь в этом роде, в результате чего Iэ вырос в m раз при постоянном значении gm. Повторив приведенные выше выкладки, получим S = 0,3mfср.

Упражнение 7.1. Покажите, что описанный прием дает указанный эффект.

Увеличение скорости нарастания. Итак, существует несколько способов получения высокой скорости нарастания: а) применить ОУ с большим fср; б) увеличить fср за счет уменьшения емкости конденсатора частотной коррекции; конечно, это возможно только в тех схемах, где коэффициент усиления при замкнутом контуре обратной связи больше единицы; в) уменьшить крутизну входного каскада gm, добавив в эмиттерную цепь дополнительные резисторы, а затем пропорционально увеличить Iэ или уменьшить С; г) изменить схему входного каскада.

Поделиться:
Популярные книги

На границе империй. Том 8. Часть 2

INDIGO
13. Фортуна дама переменчивая
Фантастика:
космическая фантастика
попаданцы
5.00
рейтинг книги
На границе империй. Том 8. Часть 2

Бесноватый Цесаревич

Яманов Александр
Фантастика:
альтернативная история
7.00
рейтинг книги
Бесноватый Цесаревич

Маяк надежды

Кас Маркус
5. Артефактор
Фантастика:
городское фэнтези
попаданцы
аниме
5.00
рейтинг книги
Маяк надежды

Неудержимый. Книга XXVII

Боярский Андрей
27. Неудержимый
Фантастика:
фэнтези
попаданцы
5.00
рейтинг книги
Неудержимый. Книга XXVII

Кодекс Крови. Книга VII

Борзых М.
7. РОС: Кодекс Крови
Фантастика:
боевая фантастика
попаданцы
аниме
5.00
рейтинг книги
Кодекс Крови. Книга VII

Кодекс Крови. Книга V

Борзых М.
5. РОС: Кодекс Крови
Фантастика:
фэнтези
попаданцы
аниме
5.00
рейтинг книги
Кодекс Крови. Книга V

Росток

Ланцов Михаил Алексеевич
2. Хозяин дубравы
Фантастика:
попаданцы
альтернативная история
фэнтези
7.00
рейтинг книги
Росток

Совершенный 2.0: Освобождение. Часть 2

Vector
7. Совершенный
Фантастика:
боевая фантастика
рпг
5.00
рейтинг книги
Совершенный 2.0: Освобождение. Часть 2

Я Гордый часть 2

Машуков Тимур
2. Стальные яйца
Фантастика:
фэнтези
попаданцы
аниме
5.00
рейтинг книги
Я Гордый часть 2

Моя простая курортная жизнь 4

Блум М.
4. Моя простая курортная жизнь
Любовные романы:
эро литература
5.00
рейтинг книги
Моя простая курортная жизнь 4

Чиновникъ Особых поручений

Кулаков Алексей Иванович
6. Александр Агренев
Фантастика:
попаданцы
альтернативная история
5.00
рейтинг книги
Чиновникъ Особых поручений

Как я строил магическую империю 5

Зубов Константин
5. Как я строил магическую империю
Фантастика:
попаданцы
аниме
фантастика: прочее
фэнтези
5.00
рейтинг книги
Как я строил магическую империю 5

Прапорщик. Назад в СССР. Книга 7

Гаусс Максим
7. Второй шанс
Фантастика:
попаданцы
альтернативная история
5.00
рейтинг книги
Прапорщик. Назад в СССР. Книга 7

Вперед в прошлое 6

Ратманов Денис
6. Вперед в прошлое
Фантастика:
попаданцы
альтернативная история
5.00
рейтинг книги
Вперед в прошлое 6