Чтение онлайн

на главную - закладки

Жанры

Люди, которые играют в игры (книга 2)
Шрифт:
Схема 3а. Пересекающиеся трансакции первого типа ВВ-РеР
Схема 3б. Пересекающиеся трансакции второго типа ВВ-РРе
Схема 4а. Успешная угловая трансакция (ВВ+ВРе) (РеВ)
Схема 4б.
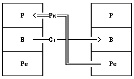
Двойная трансакция (ВВ-ВВ) (РеРе-РеРе)

На схеме 4б представлена двойная трансакция. В этом случае налицо два различных уровня: психологический, или скрытый, уровень отличается от социального, или явного. Изучение схем покажет, что возможен 81 в степени 2, то есть 6561 тип различных двойных трансакций. Если мы отбросим те из них, где социальный и психологический уровни повторяют друг друга (а это, собственно, 81 тип простых трансакций), то останется 6480 типов. К счастью, лишь шесть из них, на наш взгляд, имеют значение в общественной и повседневной жизни людей.

Читатель может спросить: зачем так много цифр в этом разделе? Этому есть три причины. Первая — это так называемая Детская причина. Она заключается в том, что многие люди очень любят играть в цифры. Вторая Взрослая причина, благодаря которой можно продемонстрировать большую, по сравнению с другими социальными и психологическими теориями, точность трансакционного анализа. Третья причина — Родительская. Суть ее — показать: насколько бы точен ни был трансакционный анализ, живых людей в эти схемы вогнать невозможно. Например, если мы участвуем только в трех трансакциях и каждый раз имеем на выбор из 6597 разновидностей, то мы можем осуществить их 65973 способами. Это даст нам множество различных способов структурирования наших взаимодействий друг с другом. Так что перед нами простирается безграничный простор для выражения своих индивидуальностей.

Следовательно, если бы все население Земли разбить на пары и каждая пара осуществляла бы по три взаимодействия двести раз подряд, то они ни разу не повторили бы как свои прежние действия, так и действия любой другой пары. Поскольку большинство людей ежедневно участвует в тысячах и тысячах трансакций, то каждый человек имеет в своем распоряжении бесчисленное количество вариантов. Если же он испытывает отвращение к большинству из возможных типов трансакций и никогда в них не участвует, то все равно у него остается достаточно простора для маневра. При этом его поведение совсем необязательно станет стереотипным, если, конечно, он сам не превратит его в таковое. Если же он все-таки это сделает (как поступает большинство людей), то виной тому не трансакционный анализ, а другие причины, которые мы попытаемся также проанализировать в настоящей книге.

О системе в целом, со всеми ее частными разделами, мы говорим как о трансакционном анализе, поэтому описанный выше анализ простых типов общения можно назвать собственнотрансакционным анализом. Это следующий шаг после структурного анализа. Собственно трансакционный анализ дает строгое определение системы как целого, что представляется принципиально важным для людей, специализирующихся в научной методологии. Трансакция, состоящая из единичного стимула и единичной реакции, вербальной или невербальной, является единицей социального действия. Мы называем его трансакцией, поскольку каждая из сторон что-то в нем обретает. Поэтому люди в них и участвуют. Все, что происходит между двумя или большим числом людей, может быть разложено на ряды единичных трансакций, что является большим преимуществом для науки, ибо она получает возможность работать с четко определенной системой единиц.

Структурирование времени

Длинные ряды трансакций, возникающие на протяжении всей жизни человека, можно так классифицировать, что в результате появляется возможность кратко— и долгосрочного прогнозирования его социального поведения. Такие цепи трансакций существуют даже тогда, когда они, пусть и в малой степени, служат удовлетворению инстинктов, потому что для большинства людей бывают тягостны периоды, не структурированные по времени. Поэтому, например, вечеринка с коктейлями считается для многих людей времяпрепровождением менее скучным, чем пребывание наедине с собой. Необходимость структурирования времени мы объясняем тремя видами влечений или потребностей. Первый — это стимулирование или жажда ощущений. Многие люди утверждают, что они стремятся избегать возбуждающих ощущений, а на самом деле большинство из них, смеем утверждать,

ищут их. Второй — это жажда признания, стремление к особого рода ощущениям, которые может дать другой человек. Вот поэтому грудным детям точно так же, как младенцам обезьяны, недостаточно только молока, им необходимо тепло материнского прикосновения и звук и запах, исходящие от матери. В противном случае они страдают точно так же, как и взрослый человек, если нет никого, кто сказал бы ему «здравствуйте». Третий — это жажда структурированности. Люди, умеющие постоянно структурировать свое время, — самые дефицитные и высокооплачиваемые специалисты в любом обществе.

Существуют различные формы структурирования времени. В социальном поведении мы видим четыре формы плюс два пограничных случая. Когда двое и более людей находятся вместе в одном помещении, они выбирают тип поведения. На одном полюсе пограничный случаи — замкнутость, когда явная коммуникация между людьми отсутствует. Это бывает в самых различных ситуациях, например в купе железнодорожного поезда, в больничной палате и т.п. Далее, за формой замкнутости, когда каждый человек будто бы окутан собственными мыслями, следует наиболее безопасная форма социального действия — ритуал; это крайне стилизованные формы взаимодействия, которые могут иметь неформальный характер, но могут быть и официальными. В последнем случае это в основном церемониальное поведение, трансакции которою полностью предсказуемы и почти не несут никакой информации. По своей природе ритуалы — это скорее всего знаки взаимного признания. Единицы ритуала называют жестами по аналогии с жестами, свидетельствующими о признании и понимании людьми друг друга. Ритуалы программируются извне — традициями и обычаями.

Следующая форма социального действия называется активностью. Ее мы обычно именуем работой. В этом случае трансакции диктуются материалом: с чем и над чем работают (будь то дерево, бетон или математическая проблема). Связанные с работой трансакции обычно направлены от Взрослого к Взрослому и соотнесены с внешней реальностью, то есть с предметом деятельности. Далее остановимся на времяпрепровождениях, которые не так стилизованы и не так предсказуемы, как ритуал, но обладают некоторой повторяемостью. Это многовариантное взаимодействие, имеющее законченный характер, как фраза или предложение. Примером может служить вечеринка с угощением, где участники недостаточно хорошо знакомы друг с другом. Времяпрепровождение чаще всего социально запрограммировано, поскольку говорить в это время можно лишь в определенном стиле и только на допустимые темы, Когда при этом проскальзывают индивидуальные нотки, тогда времяпрепровождения переходят в другую форму социального действия, которая называется игрой.

Игра, как мы уже говорили, — это комплекс скрытых трансакций, повторяющихся и характеризующихся четко определенным психологическим выражением. Во время скрытой трансакции участник чаще всего притворяется, так как создает видимость, что делает что-то одно, а в действительности делает совсем другое. Все игры предполагают «приманку». Однако «приманка» срабатывает лишь тогда, когда есть слабость, на которую она рассчитана, или имеется какой-то «рычаг», ухватившись за который можно вызвать отклик другого игрока. Это может быть зависть, жадность, сентиментальность, вспыльчивость и т.п. Как только «приманка» схвачена, игрок начинает тянуть за «рычаг», чтобы получать свой выигрыш. Партнер смущен или недоумевает. пытаясь осознать, что же такое с ним произошло. Когда игра заканчивается, каждый получает свой «выигрыш», или «вознаграждение», который обычно бывает взаимным и заключается в чувствах, переживаниях (не всегда одинаковых), но возбуждаемых игрой как в активном игроке, так и в его партнере. Если набор трансакций не характеризуется этими чертами, то речь идет не об игре, так как при игре скрытые трансакции должны содержать «приманку», «рычаг», недоумение и «выигрыш». Это можно представить в виде следующей формулы:

П+С=Рк-Р-H-В (формула игры),

где П+С означает, что «приманка» схвачена, реакция достигнута и игрок тянет за «рычаг» (Р). После этого следует момент смущения или недоумения (H), а затем оба получают свой «выигрыш» (В). Все, что укладывается в эту формулу, мы считаем игрой. Все, что не угадывается в эту формулу, игрой не является.

За игрой следует второй пограничный случай, замыкающий ряд форм межчеловеческих взаимодействий, — близость. Двустороннюю близость можно определить как искренне неигровое отношение между людьми со свободным взаимным обменом между ними, исключающим извлечение выгоды. Близость может быть односторонней, когда один человек дарит другому свое искреннее и свободное отношение, а другой расчетливо ищет при этом своей выгоды.

Поделиться:
Популярные книги

Совершенный: охота

Vector
3. Совершенный
Фантастика:
боевая фантастика
рпг
5.00
рейтинг книги
Совершенный: охота

Отверженный VII: Долг

Опсокополос Алексис
7. Отверженный
Фантастика:
городское фэнтези
альтернативная история
аниме
5.00
рейтинг книги
Отверженный VII: Долг

Барон играет по своим правилам

Ренгач Евгений
5. Закон сильного
Фантастика:
попаданцы
аниме
фэнтези
фантастика: прочее
5.00
рейтинг книги
Барон играет по своим правилам

Изгой Проклятого Клана

Пламенев Владимир
1. Изгой
Фантастика:
попаданцы
аниме
фэнтези
5.00
рейтинг книги
Изгой Проклятого Клана

Кодекс Крови. Книга ХIV

Борзых М.
14. РОС: Кодекс Крови
Фантастика:
попаданцы
аниме
фэнтези
5.00
рейтинг книги
Кодекс Крови. Книга ХIV

Третий Генерал: Том IV

Зот Бакалавр
3. Третий Генерал
Фантастика:
городское фэнтези
попаданцы
аниме
5.00
рейтинг книги
Третий Генерал: Том IV

Япона осень

Сухов Лео
6. Антикризисный Актив
Фантастика:
героическая фантастика
попаданцы
5.00
рейтинг книги
Япона осень

Кротовский, сколько можно?

Парсиев Дмитрий
5. РОС: Изнанка Империи
Фантастика:
попаданцы
альтернативная история
5.00
рейтинг книги
Кротовский, сколько можно?

Возвышение Меркурия. Книга 4

Кронос Александр
4. Меркурий
Фантастика:
героическая фантастика
боевая фантастика
попаданцы
5.00
рейтинг книги
Возвышение Меркурия. Книга 4

70 Рублей - 2. Здравствуй S-T-I-K-S

Кожевников Павел
Вселенная S-T-I-K-S
Фантастика:
боевая фантастика
постапокалипсис
5.00
рейтинг книги
70 Рублей - 2. Здравствуй S-T-I-K-S

Потомок бога 3

Решетов Евгений Валерьевич
3. Локки
Фантастика:
аниме
фэнтези
5.00
рейтинг книги
Потомок бога 3

Кадет Морозов

Шелег Дмитрий Витальевич
4. Живой лёд
Фантастика:
боевая фантастика
5.72
рейтинг книги
Кадет Морозов

Я еще барон. Книга III

Дрейк Сириус
3. Дорогой барон!
Фантастика:
боевая фантастика
попаданцы
аниме
5.00
рейтинг книги
Я еще барон. Книга III

Идеальный мир для Демонолога 10

Сапфир Олег
10. Демонолог
Фантастика:
боевая фантастика
юмористическая фантастика
аниме
5.00
рейтинг книги
Идеальный мир для Демонолога 10