Чтение онлайн

на главную - закладки

Жанры

Шрифт:

Для установки навесных элементов сантехники (раковин и моек), крепления опор трубопроводов и т.д. понадобятся: средняя (по мощности) электродрель, комплект сверл разного диаметра (в т.ч. для бетона), пробойник, набор шурупов (лучше оцинкованных), набор дюбелей.

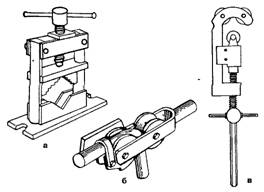
Прижим трубный. Установлен на массивном основании и применяется для надежной фиксации труб во время нарезания резьбы и прочих подобных операций. Простейший прижим показан на рисунке 3, а. Есть и более сложные конструкции, например, с откидной верхней частью (позволяет заводить трубу сбоку). Поскольку в большинстве случаев обрабатываемый конец трубы все равно должен выступать из прижима на минимальную длину, практического

значения такая боковая «загрузка» не имеет.

Труборез. Наравне с ножовкой труборез позволяет перерезать трубы диаметром до 100 мм. Никакая, даже самая совершенная, ножовка по металлу не позволит сделать такого чистого и ровного разреза, как труборез. Имеется множество видов труборезов, стационарных и ручных, принципиально не отличающихся друг от друга по конструкции (рис. 3, в).

Принцип работы следующий. Трубу вставляют в прижим. Место разрезания на трубе смазывают маслом или периодически обливают водой. Корпус трубореза надевают на трубу. Рукоятку вращают до соприкосновения со стенкой трубы ролика-резака. Докручивают рукоятку еще на 1/4 оборота так, чтобы ролик врезался в трубу. Весь труборез за рукоятку двигают вперед-назад, постепенно проходя окружность. После этого еще врезают ролик и повторяют процесс до окончательного разрезания трубы. Снимают труборез и зачищают заусенцы, опиливая торец трубы напильником.

Рис. 3. Инструменты для работ с трубами: а — прижим; б — стационарный трубогиб Вольнова; в — труборез

Трубогиб. Предназначен для механизированного изгибания труб разной длины. Его ролики служат одновременно для «калибровки»: регулируется радиус изгиба в зависимости от диаметра трубы. Если не соблюдать данную зависимость, неизбежно нарушение просвета, деформация стенок и даже разрыв. Как и труборезы, трубогибы бывают стационарные (рис. 3, б) и ручные. Как правило, они снабжаются набором роликов-шаблонов с соответствующими опорными роликами под разные диаметры труб.

Плашки. При соединении труб с помощью резьбовых фитингов (муфт) не обойтись без плашек, с помощью которых на концах труб нарезают резьбу.

Для примера приведем последовательность операций при нарезании резьбы 1/2 дюйма круглой плашкой на полудюймовой трубе (с внешним диаметром 21,5 мм). Трубу закрепляют в прижиме. При его отсутствии можно зажать трубу в тисках, положив ее между губками или под ними. Чтобы труба при резании резьбы не проворачивалась в тисках, на ее противоположный конец наворачивают угольник с отрезком трубы. Этот отрезок, упираясь в верстак, не даст трубе вращаться. Следовательно, для описываемого случая труба должна уже иметь с одной стороны резьбу. С конца зажатой трубы снимают фаску шириной 2-3 мм. Сама труба в нарезаемой часта должна выступать на минимальную длину из зажимного приспособления. Это обеспечит жесткость конструкции и облегчит срезание. Нарезаемое место смазывают жидким маслом. Закрепляют нужную крутую плашку в воротке (плашкодержателе) двумя или четырьмя упорными винтами.

Чтобы не ошибиться в виде и размере нарезаемой резьбы, необходимо, чтобы клеймо на плашке «смотрело» в сторону, противоположную внутреннему буртику воротка, в который упирается плашка. Стороной с клеймом и накладывают плашку в воротке на торец трубы с фаской. Плашка должна располагаться в плоскости, перпендикулярной оси трубы. Самая трудная фаза нарезания — начальная. Правой ладонью изо всех сил нажимают на вороток в месте установки плашки, левой — вращают рукоятку по часовой стрелке. Заборная

часть плашки должна, врезавшись, «схватиться» за трубу. Дальше—легче. Плашка как бы «станет на рельсы», и можно будет обеими ладонями вращать рукоятки. На первоначальную врезку потратится тем меньше усилий, чем большая будет фаска. Если нечем изготовить фаску, то «подкатывают» (термин старых опытных сантехников) прямой угол между торцом и образующей трубы ударами молотка, то есть закругляют угол.

Применение воротка с направляющим фланцем и втулкой значительно облегчает нарезание резьбы. При работе вороток с направляющим фланцем надевается на трубу до упоре плашки в ее торец. Затем втулку выворачивают (втулка и фланец соединены на резьбе) на ту длину резьбы, которая необходима: примерно меньше половины протяжения фитинга, которым соединяются трубы. Втулку закрепляют двумя болтами (винтами) на трубе. При вращении рукоятки воротка фланец будет втягиваться, навинчиваясь на втулку. Конечно, резьба на фланце (втулке) должна быть аналогична нарезаемой резьбе.

Метчики. Для нарезания внутренней резьбы в уже просверленном отверстии необходимо точно знать его диаметр. Это очень важно для правильного подбора метчика. Глубина глухого отверстия при этом должна быть на несколько миллиметров больше общей длины резьбы.

Полный цикл нарезания резьбы предполагает проход отверстия тремя метчиками: черновым (имеет клеймо «1»), промежуточным (клеймо «2») и чистовым (клеймо «3»). Вводить метчики, особенно первый (черновой), необходимо точно по оси отверстия, иначе может получиться косая резьба. Само отверстие и метчик смазывают. Все метчики комплекта имеют один и тот же квадрат на хвостовике, что позволяет применять один вороток. Через каждые пол-оборота делают 1/4 оборота в обратную сторону для вывода стружки. Приложение больших сил приведет к поломке металла.

Уплотнительные материалы

Лента ФУМ (фторопластовый уплотнительный материал, он же — фторлон 4Д) наиболее предпочтительный уплотнитель резьбовых соединений диаметром до 65 мм, включая трубопроводы горячей воды. Применяется также для набивки сальников. «Держит» температуру от +50 до 200 °С, устойчив к действию агрессивных сред — щелочей и минеральных кислот.

Лента ФУМ заранее пропитана минеральным маслом, выпускается в удобных кассетах, может иметь толщину от 0,08 до 0,12 мм и ширину от 10 до 25 мм. Для уплотнения между муфтой и контргайкой, а также в качестве сальниковой набивки для вентилей и кранов применяется шнур из того же материала.

Лента и шнур должны иметь белый или какой-либо другой светлый цвет; поверхность должна быть ровной, без разрывов и вздутий; допускаются небольшие пятна и отдельные включения.

Лента ФУМ более долговечна среди уплотнителей, особенно на трубе с горячей водой, но работа с ней требует некоторых навыков: нельзя намотать ее больше или меньше, чем нужно. В случае ошибки поворачивать обратно также нельзя — смеситель будет подтекать.

Плетеная хлопчатобумажная набивка ХБС (сухая) — сальниковая набивка, которая применяется, главным образом, в запорной арматуре сетей горячего снабжения и питьевой воды.

Трепаный лен выпускается в виде пряди, пропитанной суриком или белилами, разведенными на натуральной олифе, которую применяют для уплотнения резьбовых соединений трубопроводов, транспортирующих воду при температуре до +105 °С.

Смоляная прядь представляет собой обработанные древесной смолой лубяные волокна, полученные в качестве отходов при изготовлении волокон пеньки и льна. Прядью заделывают раструбы чугунных водопроводных и канализационных, а также керамических труб.

Поделиться:
Популярные книги

Враг из прошлого тысячелетия

Еслер Андрей
4. Соприкосновение миров
Фантастика:
фэнтези
попаданцы
аниме
5.00
рейтинг книги
Враг из прошлого тысячелетия

Шайтан Иван 4

Тен Эдуард
4. Шайтан Иван
Фантастика:
попаданцы
альтернативная история
8.00
рейтинг книги
Шайтан Иван 4

Заход. Солнцев. Книга XII

Скабер Артемий
12. Голос Бога
Фантастика:
фэнтези
попаданцы
аниме
5.00
рейтинг книги
Заход. Солнцев. Книга XII

Сын Тишайшего 3

Яманов Александр
3. Царь Федя
Фантастика:
попаданцы
альтернативная история
фэнтези
5.00
рейтинг книги
Сын Тишайшего 3

Афганский рубеж 2

Дорин Михаил
2. Рубеж
Фантастика:
попаданцы
альтернативная история
5.00
рейтинг книги
Афганский рубеж 2

70 Рублей - 2. Здравствуй S-T-I-K-S

Кожевников Павел
Вселенная S-T-I-K-S
Фантастика:
боевая фантастика
постапокалипсис
5.00
рейтинг книги
70 Рублей - 2. Здравствуй S-T-I-K-S

Элита элит

Злотников Роман Валерьевич
1. Элита элит
Фантастика:
боевая фантастика
8.93
рейтинг книги
Элита элит

Газлайтер. Том 1

Володин Григорий
1. История Телепата
Фантастика:
попаданцы
альтернативная история
аниме
5.00
рейтинг книги
Газлайтер. Том 1

Тепла хватит на всех 3

Котов Сергей
3. Миры Пентакля
Фантастика:
научная фантастика
боевая фантастика
космическая фантастика
попаданцы
5.00
рейтинг книги
Тепла хватит на всех 3

Маяк надежды

Кас Маркус
5. Артефактор
Фантастика:
городское фэнтези
попаданцы
аниме
5.00
рейтинг книги
Маяк надежды

Покоривший СТЕНУ 4: Четыре ответа

Мантикор Артемис
4. Покоривший СТЕНУ
Фантастика:
фэнтези
попаданцы
рпг
5.00
рейтинг книги
Покоривший СТЕНУ 4: Четыре ответа

Идеальный мир для Демонолога 10

Сапфир Олег
10. Демонолог
Фантастика:
боевая фантастика
юмористическая фантастика
аниме
5.00
рейтинг книги
Идеальный мир для Демонолога 10

Возвышение Меркурия. Книга 2

Кронос Александр
2. Меркурий
Фантастика:
фэнтези
5.00
рейтинг книги
Возвышение Меркурия. Книга 2

Газлайтер. Том 6

Володин Григорий
6. История Телепата
Фантастика:
попаданцы
альтернативная история
аниме
5.00
рейтинг книги
Газлайтер. Том 6