Чтение онлайн

на главную - закладки

Жанры

Шпионские штучки, или Секреты тайной радиосвязи
Шрифт:

Принцип работы усилительного каскада на полевом транзисторе, включенном по схеме с общим истоком, заключается в следующем. С увеличением потенциала затвора ток в цепи стока и, соответственно, падение напряжения на резисторе R1 в цепи нагрузки возрастают. При этом напряжение между стоком и истоком уменьшается. В результате переменное напряжение между стоком и истоком оказывается сдвинутым по фазе на 180° относительно переменного напряжения между затвором и истоком.

Для оценки работы усилительного каскада на полевом транзисторе обычно используют такие характеристики, как коэффициент усиления по напряжению и выходное сопротивление каскада. Необходимо отметить, что значения входной, проходной и выходной емкостей

полевого транзистора весьма малы и обычно не превышают нескольких пикофарад. Поэтому их влиянием на работу низкочастотного усилительного каскада можно пренебречь.

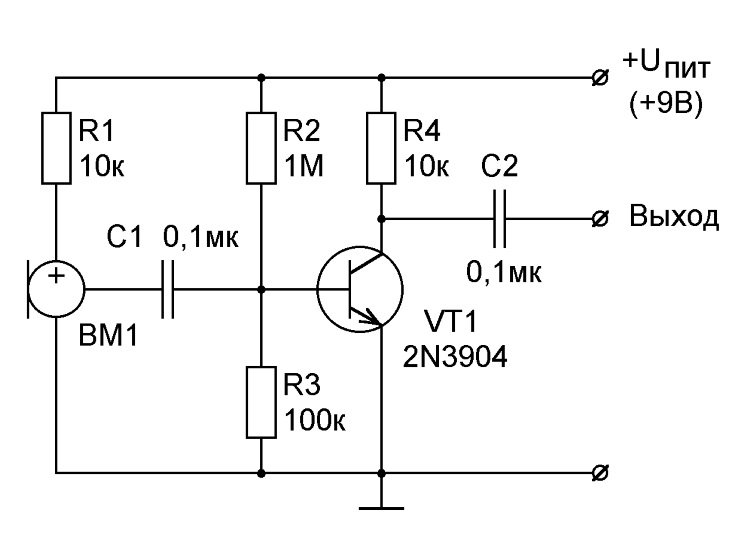
Принцип действия усилительного каскада, выполненного на биполярном транзисторе n-p-n проводимости, включенном по схеме с общим эмиттером, рассмотрим на примере простейшего микрофонного усилителя, принципиальная схема которого приведена на рис. 2.2.

Рис. 2.2. Принципиальная схема простейшего микрофонного усилителя на n-p-n-транзисторе

В рассматриваемой схеме сигнал, сформированный на выходе микрофона BM1, через разделительный конденсатор С1 поступает на базу транзистора VТ1, включенного по классической схеме с общим эмиттером. Конденсатор С1 обеспечивает развязку входной цепи усилителя и выходной цепи источника сигнала (микрофон BM1) по постоянному току. При отсутствии этого конденсатора сопротивление резистора R3 совместно с малым сопротивлением перехода база-эмиттер транзистора VТ1 шунтирует выход источника сигнала. Помимо этого выходное сопротивление микрофона оказало бы неприемлемое влияние на положение рабочей точки транзистора VТ1, изменив режим его работы. Аналогичные функции выполняет разделительный конденсатор С2, обеспечивая развязку по постоянному току выходной цепи микрофонного усилителя и входных цепей подключаемых к его выходу каскадов. Через резистор R1 на соответствующий вывод электретного микрофона BM1 подается напряжение, необходимое для штатного функционирования микрофона.

При отсутствии входного сигнала на базе транзистора VТ1, включенного по схеме с общим эмиттером, присутствует напряжение смещения, формируемое делителем R2, R3 из напряжения питания. Наличие напряжения смещения обеспечивает протекание тока между коллектором и эмиттером транзистора. Величина этого тока, который обычно называют коллекторным током, зависит от соотношения величин сопротивлений резисторов R2 и R3. Изменение этого соотношения приводит к смещению рабочей точки на характеристике транзистора VТ1 и, соответственно, к изменению его режима работы.

При поступлении сигнала на базу транзистора VТ1 происходит изменение тока базы, что вызывает соответствующее изменение величины коллекторного тока. В результате по аналогичному закону происходит изменение разности потенциалов на резисторе R4, выполняющем функцию нагрузочного резистора в цепи коллектора транзистора VТ1. Как уже отмечалось, при возрастании напряжения на базе транзистора VТ1 происходит падение напряжения на его коллекторе, и, наоборот, при падении напряжения на базе, напряжение на коллекторе увеличивается. Таким образом, выходное напряжение однокаскадного транзисторного усилителя будет находиться в противофазе входному напряжению.

Стабилизация положения рабочей точки транзистора

Для того чтобы усилительный каскад работал в нормальном, штатном режиме, то есть без так называемого переусиления, на характеристике транзистора необходимо выбрать соответствующую рабочую точку, положение которой определяется величиной коллекторного тока при определенном коллекторном напряжении. Обычно в схемах усилительных каскадов с общим эмиттером напряжение на коллекторе транзистора выбирается

равным половине напряжения источника питания, поскольку при таком соотношении обеспечивается достижение наибольшей амплитуды неискаженного выходного сигнала.

Величина напряжения, формируемого на коллекторе транзистора VТ1 (рис. 2.2) при одном и том же коллекторном токе, зависит от величины сопротивления резистора R4, которая в различных схемах может находиться в пределах от 1 до 100 кОм. Малое сопротивление коллекторного резистора выбирается в том случае, когда транзистор VТ1 должен работать в режиме с малым коллекторным током (в каскадах, которые должны обеспечивать низкий уровень собственных шумов). В результате амплитуда выходного тока, и соответственно, напряжения, будет малой при малом уровне шумов. Такие каскады обычно используются в качестве входных. При выборе резистора R4 с большим сопротивлением коэффициент усиления каскада увеличивается. Величина сопротивления резистора R4 в пределах нескольких килоом выбирается для усилителей напряжения, от которых требуется больший выходной ток при малом выходном сопротивлении.

При отсутствии входного сигнала ток базы, определяемый соотношением величин сопротивлений резисторов R2 и R3, инициирует протекание коллекторного тока, который часто называется током покоя. Под влиянием каких-либо внешних воздействий, например, при нагревании корпуса транзистора, ток покоя может измениться, несмотря на то, что напряжение на базе остается неизменным благодаря постоянным параметрам элементов делителя R2, R3. Увеличение коллекторного тока приводит к увеличению падения напряжения на резисторе R4, поэтому напряжение на коллекторе транзистора VТ1 уменьшится. В результате уменьшится и напряжение между коллектором и эмиттером. Для большинства применяемых в звукоусилительной аппаратуре маломощных биполярных транзисторов падение напряжения коллектор-эмиттер на несколько десятых долей вольта приводит к переходу в режим насыщения, после чего транзистор перестает реагировать на изменения входного напряжения.

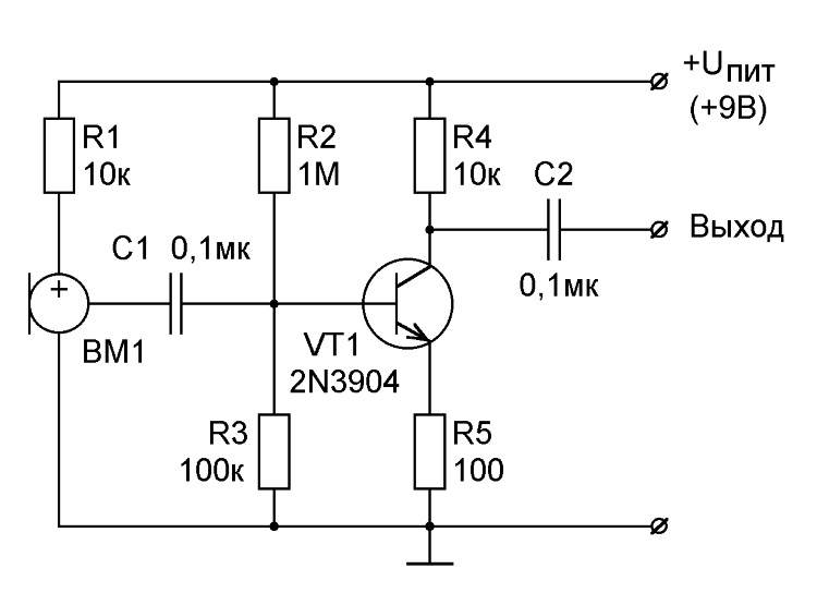
Избежать подобных неприятностей помогают специальные схемотехнические решения, обеспечивающие стабилизацию положения рабочей точки транзистора. Одно из них заключается в использовании цепи отрицательной обратной связи по току за счет подключения резистора в цепь эмиттера транзистора VT1. Принципиальная схема простейшего усилительного каскада со стабилизацией рабочей точки транзистора с помощью цепи ООС по току приведена на рис. 2.3.

Рис. 2.3. Принципиальная схема микрофонного усилителя со стабилизацией рабочей точки транзистора с помощью цепи ООС по току

При увеличении коллекторного тока падение напряжения на резисторе R5 также увеличится, что при постоянном напряжении на базе транзистора VТ1 приведет к уменьшению разности потенциалов между базой и эмиттером. Как следствие, изменится положение рабочей точки транзистора, поскольку уменьшится напряжение, обеспечивающее отпирание транзистора. Транзистор прикроется, а ток базы уменьшится, что приведет к соответствующему уменьшению коллекторного тока.

Как только ток коллектора уменьшится, температура транзистора понизится, а ток коллектора будет продолжать снижаться. При этом уменьшится и падение напряжения на резисторе R5 до первоначального значения. Таким образом происходит стабилизация рабочей точки транзистора VТ1 с помощью включенного в цепь эмиттера резистора R5. Чем больше величина сопротивления резистора R5, тем стабильнее работает каскад при изменении температуры. Однако с увеличением этого сопротивления будет уменьшаться рабочее напряжение между коллектором и эмиттером транзистора VТ1.

Поделиться:
Популярные книги

Мл. сержант. Назад в СССР. Книга 3

Гаусс Максим
3. Второй шанс
Фантастика:
альтернативная история
6.40
рейтинг книги
Мл. сержант. Назад в СССР. Книга 3

Ликвидатор. Том 3

Бор Жорж
3. Ликвидатор на службе Империи
Фантастика:
городское фэнтези
попаданцы
5.00
рейтинг книги
Ликвидатор. Том 3

Идеальный мир для Лекаря 29

Сапфир Олег
29. Лекарь
Фантастика:
юмористическое фэнтези
аниме
фэнтези
5.00
рейтинг книги
Идеальный мир для Лекаря 29

Убивать чтобы жить 6

Бор Жорж
6. УЧЖ
Фантастика:
боевая фантастика
космическая фантастика
рпг
5.00
рейтинг книги
Убивать чтобы жить 6

Купец из будущего 2

Чайка Дмитрий
2. Третий Рим
Фантастика:
попаданцы
альтернативная история
5.00
рейтинг книги
Купец из будущего 2

Путь Шедара

Кораблев Родион
4. Другая сторона
Фантастика:
боевая фантастика
6.83
рейтинг книги
Путь Шедара

Неправильный диверсант Забабашкин

Арх Максим
4. Неправильный солдат Забабашкин
Фантастика:
боевая фантастика
попаданцы
альтернативная история
5.00
рейтинг книги
Неправильный диверсант Забабашкин

Второй кощей

Билик Дмитрий Александрович
8. Бедовый
Фантастика:
юмористическое фэнтези
городское фэнтези
мистика
5.00
рейтинг книги
Второй кощей

Ваше Сиятельство 9

Моури Эрли
9. Ваше Сиятельство
Фантастика:
боевая фантастика
попаданцы
стимпанк
аниме
фэнтези
5.00
рейтинг книги
Ваше Сиятельство 9

70 Рублей

Кожевников Павел
1. 70 Рублей
Фантастика:
фэнтези
боевая фантастика
попаданцы
постапокалипсис
6.00
рейтинг книги
70 Рублей

Жандарм 4

Семин Никита
4. Жандарм
Фантастика:
попаданцы
альтернативная история
аниме
5.00
рейтинг книги
Жандарм 4

Измена. Мой заклятый дракон

Марлин Юлия
Любовные романы:
любовно-фантастические романы
7.50
рейтинг книги
Измена. Мой заклятый дракон

Боец с планеты Земля

Тимофеев Владимир
1. Потерявшийся
Фантастика:
боевая фантастика
космическая фантастика
5.00
рейтинг книги
Боец с планеты Земля

Страж Тысячемирья

Земляной Андрей Борисович
5. Страж
Фантастика:
боевая фантастика
альтернативная история
фэнтези
5.00
рейтинг книги
Страж Тысячемирья