Чтение онлайн

на главную - закладки

Жанры

Шрифт:

Шаговый распределитель состоит из электромагнита, якоря с собачкой, храпового колеса, щетки и диска с контактами.

В книге С. Д. Клементьева «Телеавтоматика» (Учпедгиз, 1955 г.) достаточно подробно описано, как сделать электромагнит и храповик.

Мы позволим себе привести здесь выдержку из этой книги.

«Берут стальной болтик длиной около 35 миллиметров. На длине 30 миллиметров от головки болтик обвертывают жестью так, чтобы его диаметр получился не менее 8 миллиметров. Это будет сердечник электромагнита. На него наматывают два-три слоя бумаги. Под головку приклеивают круглую щеку диаметром в 20 миллиметров, а внизу — квадратную щеку со стороной 20 миллиметров. На получившийся каркас аккуратно наматывают около 800

витков изолированного провода диаметром 0,25—0,30 миллиметра.

Сердечник вставляют в отверстие ярма электромагнита. Ярмо можно согнуть из десяти сжатых в тисках и пропаянных по ребрам полосок отожженной жести.

Якорь также можно спаять из нескольких слоев жести. С одной стороны припаивают к нему стальную проволочную спираль-подшипник, а с другой — П-образную проволоку — ось собачки. Собачку сгибают из жести. К этому же концу якоря сверху припаивают свернутую из струны пружинку, которая будет прижимать собачку к храповому колесу. С ярмом якорь соединяется посредством П-образной проволоки, а чтобы он не двигался из стороны в сторону, по обе стороны его надевают по нескольку проволочных колец. К ярму и якорю припаивают концы спиральной пружинки. Эта пружинка после выключения тока из обмотки электромагнита возвращает якорь обратно, до упорного регулировочного винта.

Корпус нужно сделать из полоски латуни шириной 30 миллиметров. На нижней стенке корпуса просверливают отверстия для крепления электромагнита, а на верхней стенке — для регулировочного винта. Под отверстие для регулировочного винта припаивают гайку. Вторая гайка на регулировочном винте нужна для его закрепления.

Храповик делают так. Проводят циркулем на кусочке плотной бумаги окружность радиусом около 50 миллиметров и делят ее на 24 части, затем проводят радиусы и окружности будущего храповика: наружную— диаметром 19 миллиметров и внутреннюю — диаметром 17 миллиметров. Затем карандашом прочерчивают косые зубцы. Чертеж храповика аккуратно обрезают ножницами и наклеивают на ровный кусочек жести. Осторожно пропиливают зубцы маленьким напильником. В центре храповика нужно просверлить отверстие для оси.

Стойки подшипника оси храповика выгибают из жести и припаивают к ним медные проволочные спирали. В них будет вращаться ось храпового колеса.

После этого собирают в корпусе электромагнит с ярмом и якорем, припаивают одну из стоек с подшипником, надевают на ось храповое колесо и замечают его место: храповик должен оказаться как раз под серединой собачки якоря. Когда отмечено место, храповик припаивают к оси. Если храповик не „бьет“, можно припаять стойку со вторым подшипником».

Затем к оси храповика нужно припаять латунную пластинку, изогнутую таким образом, чтобы она пружинила, касаясь укрепленного перед ней вертикально диска, вырезанного из фанеры, с расположенными по окружности шестью латунными контактами.

Когда от пульс-пары, описанной выше, будет поступать электрический импульс в электромагнит, якорь будет притягиваться, собачка — нажимать на зуб храпового колеса и латунная щетка передвигаться по диску распределителя.

Если вы на храповике сделали 24 зуба, тогда щетка будет замыкать очередной контакт после четырех передвижений по фанерному диску.

В качестве датчика импульсов для передвижения щеток шагового распределителя можно использовать и ручную кнопку.

Включатели

На деревянной дощечке укрепите винтами на некотором расстоянии друг от друга две полоски жести с приделанными к концам деревянными ручками. Эти полоски должны легко поворачиваться вокруг винтов, которыми они прикреплены к дощечке. Около тех концов, где у полосок жести приделаны ручки, прикрепите винтами согнутые из жести неподвижные

контакты включателей. Эти рубильники в схемах будут называться Руб 1, Руб 2 и т. д. Нужно так подогнать детали включателей, чтобы они легко замыкались и размыкались, обеспечивая надежный контакт.

Сигнальные лампочки

На этой же деревянной дощечке рядом с каждым включателем укрепите по одной электрической лампочке от карманного фонаря и подведите к ним кусочки изолированной проволоки со свободными концами для дальнейших соединений. Способ крепления лампочек показан на рисунке.

Модель телеуправления

Установите на некотором расстоянии друг от друга два маленьких электрических двигателя, работающих от карманной батарейки. На их оси наденьте велосипедные ниппельные резиновые трубочки. К ним должны прижиматься склеенные из фанеры диски диаметром около 25 сантиметров. В центре каждого диска укрепите контакт, который надо соединить с осью. К диску должна прижиматься контактная пластинка, укрепленная на подставке. При вращении фанерный диск должен периодически замыкать свои контакты. Эти контакты у обоих электрических двигателей будем называть в дальнейшем К1 и К2.

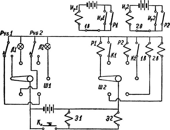
А теперь мы осуществим сначала так называемую многопроводную схему. Соедините проводами рубильник Руб 1, реле Р1, лампочку Л1 и контакт К1, а также Руб 2, Р2, Л2 и К2 с батареей. Контакты реле Р1 и Р2 нужно включить в цепь питания первого и второго двигателя.

Включите рубильник Руб 1, сработает реле Р1 и включит первый двигатель. Его маленький вал начнет вращаться, и контакт К1 будет периодически замыкать цепь лампочки Л1, и она будет мигать, сообщая, что двигатель работает. При включении Руб 2 второй двигатель начнет работать, сообщив об этом сигнальной лампочкой Л2.

Установку нужно смонтировать так, чтобы рубильники с лампочками были в одном месте, а двигатели и реле — на некотором расстоянии или даже в другой комнате.

Недостаток этой схемы — обилие проводов. А при большом количестве управляемых объектов может оказаться, что для управления сложными промышленными установками понадобятся сотни тысяч метров дорогостоящих проводов.

Это экономически невыгодно.

И вот возникает необходимость передавать на большие расстояния команду и получать ответ о ее выполнении или производить какие-либо измерения по малому числу проводов. Для этого применяется специальное устройство.

<
Поделиться:
Популярные книги

Гримуар темного лорда VII

Грехов Тимофей
7. Гримуар темного лорда
Фантастика:
боевая фантастика
попаданцы
аниме
фэнтези
5.00
рейтинг книги
Гримуар темного лорда VII

Я Гордый Часть 3

Машуков Тимур
3. Стальные яйца
Фантастика:
фэнтези
попаданцы
аниме
5.00
рейтинг книги
Я Гордый Часть 3

Зачисление

Грехов Тимофей
3. Ярар
Фантастика:
фэнтези
аниме
5.00
рейтинг книги
Зачисление

Кодекс Охотника. Книга X

Винокуров Юрий
10. Кодекс Охотника
Фантастика:
фэнтези
попаданцы
аниме
6.25
рейтинг книги
Кодекс Охотника. Книга X

Рубежник

Билик Дмитрий Александрович
1. Бедовый
Фантастика:
юмористическая фантастика
городское фэнтези
мистика
5.00
рейтинг книги
Рубежник

Один на миллион. Трилогия

Земляной Андрей Борисович
Один на миллион
Фантастика:
боевая фантастика
8.95
рейтинг книги
Один на миллион. Трилогия

Лидер с планеты Земля

Тимофеев Владимир
2. Потерявшийся
Фантастика:
боевая фантастика
космическая фантастика
6.00
рейтинг книги
Лидер с планеты Земля

Неудержимый. Книга XXI

Боярский Андрей
21. Неудержимый
Фантастика:
попаданцы
аниме
фэнтези
5.00
рейтинг книги
Неудержимый. Книга XXI

Воевода

Ланцов Михаил Алексеевич
5. Помещик
Фантастика:
альтернативная история
5.00
рейтинг книги
Воевода

Седьмой Рубеж III

Бор Жорж
3. 5000 лет темноты
Фантастика:
фэнтези
попаданцы
5.00
рейтинг книги
Седьмой Рубеж III

Прометей: повелитель стали

Рави Ивар
3. Прометей
Фантастика:
фэнтези
7.05
рейтинг книги
Прометей: повелитель стали

Страж Кодекса. Книга VII

Романов Илья Николаевич
7. КО: Страж Кодекса
Фантастика:
фэнтези
попаданцы
аниме
5.00
рейтинг книги
Страж Кодекса. Книга VII

Восход. Солнцев. Книга VIII

Скабер Артемий
8. Голос Бога
Фантастика:
фэнтези
попаданцы
аниме
5.00
рейтинг книги
Восход. Солнцев. Книга VIII

Метатель

Тарасов Ник
1. Метатель
Фантастика:
боевая фантастика
попаданцы
рпг
фэнтези
фантастика: прочее
постапокалипсис
5.00
рейтинг книги
Метатель