Чтение онлайн

на главную - закладки

Жанры

Тяжелый танк «Королевский тигр»
Шрифт:

«Танк, вследствие поспешности выпуска, имеет большое количество конструктивных недостатков, главными из которых являются:

1. Бортовая передача разрушается полностью через 250 — 350 км пробега вследствие недостаточной механической прочности подшипников.

2. Зубцы венцов ведущих колес, ввиду применения двойного трака с одной цевкой, изнашиваются полностью через 250 — 350 км и к дальнейшей эксплуатации не пригодны. Кроме того, выход зуба венца из цевки гусеницы не отработан, в результате чего гусеница наматывается на ведущее колесо или проскакивает.

3. Направляющие гребни заклиниваются между дисками опорных катков, так как не учтено изменение профиля между дисками катков, вызванное деформацией резины внутренней амортизации катков.

4. Коробка перемены передач и механизм поворота перегреваются; наспех поставленный резервуар

с водой для охлаждения масла КПП, при отсутствии циркуляции воды, не оправдывает своего назначения.

5. Двигатель, благодаря большому весу танка, перегружен и также имеет тенденцию к перегреву и заклиниванию вала, в результате чего на машине введен ряд предохраняющих приспособлений».

Что касается «поспешности» выпуска, то наши специалисты тогда еще просто не знали, что разработка «Королевского тигра» началась в 1942 году и времени у немецких конструкторов было достаточно. У них не было агрегатной базы для танка такой массы, о чем заказчик не мог не знать. Теперь уже можно смело утверждать, что «Королевский тигр» оказался самым бесполезным немецким танком периода Второй мировой войны. И не по причине небольшого числа выпущенных машин (почти 500 единиц — это немало!), а из-за мизерного количества этих танков, участвовавших в боевых действиях. Большинство «королевских тигров» постоянно находилось в ремонте. Кроме того, львиная доля безвозвратных потерь приходится на машины, просто-напросто брошенные экипажами из-за технических неисправностей.

Этот танк находится в музее при Танковой школе бундесвера в Мунстере (Германия), куда он был передан из США в 1961 году

«Королевский тигр» из экспозиции танкового музея в Самюре (Франция). Эта машина — на ходу!

Таким образом, заказчик совершил грубую ошибку, и при оценке вероятного противника, и при учете экономических возможностей страны, в итоге неправильно выбрав тип танка. Здравый смысл был принесен в жертву чисто пропагандистской идее создания «неуязвимого оружия возмездия», достигшей своего апогея при создании сверхтяжелого танка «Маус».

Истребитель танков «Ягдтигр»

В ходе проектирования тяжелого танка Tiger II фирма Henschel в сотрудничестве с фирмой Krupp приступила к созданию на его базе тяжелого штурмового орудия. Новую самоходку планировалось вооружить 128-мм пушкой, осколочно-фугасный снаряд которой имел значительно большее фугасное действие, чем у 88-мм зенитного орудия FlaK 40. Деревянный макет САУ в натуральную величину был продемонстрирован Гитлеру 20 октября 1943 года на полигоне Арис в Восточной Пруссии. САУ произвела на фюрера самое благоприятное впечатление, и последовало распоряжение начать ее серийный выпуск в следующем году. 7 апреля 1944 года машине присвоили название Panzerj"ager Tiger Ausf.B (Sd.Kfz. 186), позже упрощенное до Jagdtiger. Спустя 13 дней был изготовлен в металле первый образец. САУ была самой тяжелой из всех участвовавших во Второй мировой войне боевых машин — ее полная боевая масса составляла 75,2 т.

Общая компоновка моторно-трансмиссионной группы и ходовой части самоходной установки сохранилась такой же, как у танка «Королевский тигр». Однако нагрузка на шасси при выстреле предполагалась большей, чем у танка, поэтому машину удлинили на 260 мм.

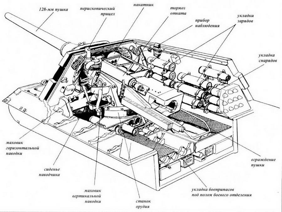
Бронекорпус танка почти не претерпел изменений — ни в части конструкции, ни в части толщины брони. Борта рубки представляли собой одно целое с бортами корпуса и имели такую же толщину—80 мм. Лобовой и кормовой листы рубки соединялись с бортами «в шип», усиливались шпонками, а затем обваривались. Толщина лобового листа рубки достигала 250 мм, располагался он под углом 75° от горизонтали, что делало броню практически неуязвимой для всех противотанковых средств на дистанции свыше 400 м. В кормовом листе толщиной 80 мм располагался люк для демонтажа орудия, загрузки боекомплекта и эвакуации экипажа, закрывавшийся двухстворчатой крышкой на петлях. Крыша рубки из 40-мм бронелиста крепилась к корпусу болтами.

В правой передней части крыши рубки находилась вращающаяся наблюдательная командирская башенка со смотровым прибором, прикрытым П-образной броневой скобой. Перед прибором в крыше башенки имелся лючок для установки стереотрубы. За командирской башенкой размещался посадочный люк командира, а слева от нее — амбразура перископического прицела пушки. Кроме того, в крыше рубки устанавливались вентилятор, «устройство ближнего боя» и четыре прибора наблюдения.

Демонстрация фюреру деревянного макета САУ «Ягдтигр» (на втором плане). Полигон Арис, 20 октября 1943 года

Первый серийный «Ягдтигр» на заводском полигоне. Апрель 1944 года

В амбразуре переднего листа рубки, прикрытой массивной литой маской, устанавливалась пушка 12,8 cm Pak 44 (Pak 80) калибра 128 мм. Начальная скорость ее бронебойного снаряда достигала 920 м/с. Длина ствола орудия, разработанного фирмой Krupp и изготавливавшегося на предприятии Bertha-Werke в Бреслау, составляла 55 калибров (7020 мм). Масса орудия — 7000 кг. Затвор — клиновой, горизонтальный, имел 1/4 автоматики, то есть открывание затвора и экстрактирование гильзы производились вручную, а после досылания снаряда и заряда затвор закрывался автоматически. Пушка была смонтирована на специальном станке, установленном в корпусе САУ. Вертикальное наведение осуществлялось в пределах от — 7° до +15°, горизонтальное — 10° на сторону. Противооткатные устройства располагались над стволом орудия. Предельная длина отката — 900 мм. Наибольшая дальность стрельбы осколочно- фугасным снарядом достигала 12,5 км.

Пушка Рак 44 отличалась от 128-мм зенитной пушки Flak 40 раздельно-гильзовым заряжанием. В тесной рубке САУ с громоздким и тяжелым «унитаром» не было возможности развернуться. Для ускорения процесса заряжания в экипаж «Ягдтигра» входили два заряжающих: в то время как один досылал в камору снаряд, другой подавал гильзу с зарядом. Тем не менее, скорострельность «Ягдтигра» не превышала 2 — 3 выстр./мин.

Боекомплект САУ размещался на полу боевого отделения и бортах рубки в хомутиковых укладках и составлял 38 — 40 выстрелов.

Перископический прицел WZF 2/1 имел десятикратное увеличение и поле зрения 7°, что позволяло поражать цели на дистанции до 4000 м.

Компоновка боевого отделения САУ «Ягдтигр»

Крыша рубки «Ягдтигра». Вверху справа— командирская башенка с лючком для стереотрубы, перед ней — посадочный люк командира, вверху слева — дугообразная амбразура перископического прицела

Любопытно отметить, что 128-мм пушка Рак 44 впервые появилась на фронте в августе 1944 года как полевое противотанковое орудие. Поскольку лафет для него сконструирован не был, то качающуюся часть стали устанавливать на лафетах трофейных советских 152-мм гаубиц М-10, гаубиц-пушек МЛ-20 и французских 155-мм пушек. Всего таким образом изготовили 116 орудий.

Вспомогательное вооружение «Ягдтигра» состояло из пулемета MG 34, размещенного в шаровой установке в лобовом листе корпуса. Боекомплект пулемета — 1500 патронов. На крыше рубки было смонтировано «устройство ближнего боя».

Двигатель и трансмиссию для САУ заимствовали у танка «Тигр II» с минимальными изменениями. Так, например, у самоходки отсутствовал отбор мощности на гидропривод поворота башни, поскольку не было и самой башни.

Ходовая часть также была в основном аналогична танковой. Удлинение корпуса на 260 мм повлекло за собой увеличение длины опорной поверхности с 4120 до 4240 мм. Правда, из-за увеличения массы САУ (по сравнению с танком на 5 т) удельное давление на грунт не только не уменьшилось, но даже возросло с 1,02 до 1,06 кг/см2.

Поделиться:
Популярные книги

Диверсант

Вайс Александр
2. Фронтир
Фантастика:
боевая фантастика
космическая фантастика
5.00
рейтинг книги
Диверсант

Бастард Императора. Том 6

Орлов Андрей Юрьевич
6. Бастард Императора
Фантастика:
городское фэнтези
попаданцы
аниме
фэнтези
фантастика: прочее
5.00
рейтинг книги
Бастард Императора. Том 6

Мастер 4

Чащин Валерий
4. Мастер
Фантастика:
героическая фантастика
боевая фантастика
попаданцы
5.00
рейтинг книги
Мастер 4

Тринадцатый VIII

NikL
8. Видящий смерть
Фантастика:
фэнтези
попаданцы
аниме
5.00
рейтинг книги
Тринадцатый VIII

Директор

Семин Никита
5. Переломный век
Фантастика:
попаданцы
альтернативная история
5.00
рейтинг книги
Директор

Сумеречный стрелок

Карелин Сергей Витальевич
1. Сумеречный стрелок
Фантастика:
фэнтези
попаданцы
аниме
5.00
рейтинг книги
Сумеречный стрелок

Газлайтер. Том 9

Володин Григорий
9. История Телепата
Фантастика:
фэнтези
попаданцы
5.00
рейтинг книги
Газлайтер. Том 9

Ликвидатор. Том 3

Бор Жорж
3. Ликвидатор на службе Империи
Фантастика:
городское фэнтези
попаданцы
5.00
рейтинг книги
Ликвидатор. Том 3

Неправильный диверсант Забабашкин

Арх Максим
4. Неправильный солдат Забабашкин
Фантастика:
боевая фантастика
попаданцы
альтернативная история
5.00
рейтинг книги
Неправильный диверсант Забабашкин

Газлайтер. Том 25

Володин Григорий Григорьевич
25. История Телепата
Фантастика:
боевая фантастика
попаданцы
аниме
5.00
рейтинг книги
Газлайтер. Том 25

Имя нам Легион. Том 9

Дорничев Дмитрий
9. Меж двух миров
Фантастика:
боевая фантастика
рпг
аниме
5.00
рейтинг книги
Имя нам Легион. Том 9

Предопределение

Осадчук Алексей Витальевич
9. Последняя жизнь
Фантастика:
фэнтези
попаданцы
аниме
5.00
рейтинг книги
Предопределение

Законы Рода. Том 11

Андрей Мельник
11. Граф Берестьев
Фантастика:
юмористическое фэнтези
аниме
фэнтези
5.00
рейтинг книги
Законы Рода. Том 11

Сирийский рубеж

Дорин Михаил
5. Рубеж
Фантастика:
попаданцы
альтернативная история
5.00
рейтинг книги
Сирийский рубеж