Чтение онлайн

на главную - закладки

Жанры

Большая Советская Энциклопедия (ДА)
Шрифт:

Лит.: Практическое руководство по проведению физиотерапевтических процедур, под общ. ред. А. Н. Обросова, М., 1965,

Л. А. Скурихина.

Рис. 1. Схема аппарата для общей дарсонвализации: В — включатель; Т— трансформатор; И — разрядник; К — конденсатор; Л1 — катушка индуктивности.

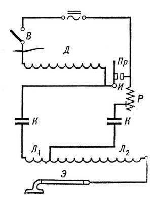
Рис. 2. Схема аппарата для местной дарсонвализации: В — включатель; Д — 1-я катушка; Пр — прерыватель; И — разрядник; Р — реостат; К — конденсатор;

Л1 , Л2 , — катушки индуктивности; Э — электрод.

Д'Арсонваль Жак Арсен

Д'Арсонва'ль (d'Arsonval) Жак Арсен (8.6.1851, Ла-Бори, департамент Верхняя Вьенна, — 31.12.1940, там же), французский физиолог и физик, член АН в Париже (1894) и Национальной академии медицины (1888). С 1882 возглавлял лабораторию биофизики, а с 1894 — кафедру экспериментальной физиологии Коллеж де Франс. Изучая действие переменных токов на биологические объекты, Д 'А. установил (1891), что токи высокой частоты способны проходить через животный организм, не вызывая видимых раздражающих ткань явлений, но оказывая различные физиологические эффекты в зависимости от способа применения и характера этих токов. Исследования Д'А. имели большое значение для разработки методов электролечения (см. Дарсонвализация ). Д'А. связал в исследованиях физиологический эксперимент с тонким физическим анализом, что способствовало развитию новой области биологии — биофизики . Он ввёл в практику физиологических исследования ряд приборов и аппаратов: калориметр, термоэлектрическую иглу, гальванометр с подвижной рамкой и др.

Лит.: Пионтковский И. А., Арсен Д'Арсонваль, «Природа», 1946, № 3.

Дарственный надел

Да'рственный наде'л, земельный надел в России, равный 1 /4 высшего надела установленного для данной местности по условиям Крестьянской реформы 1861 . Помещик с согласия крестьян предоставлял Д. н. в собственность крестьянам даром (отсюда название), сохраняя за собой всю остальную землю. Д. н. был недостаточен для ведения крестьянского хозяйства. Крестьяне, получившие Д. н., назывались крестьяне-дарственники .

Дарте Огюстен Александр

Дарте' (Darthe) Огюстен Александр (1.10.1765, Сен-Поль, — 27.5.1797, Вандом), деятель Великой французской революции. Будучи студентом, участвовал в 1789 во взятии Бастилии . В 1792 избран член директории депутатом Па-де-Кале. В 1793— 1794 один из самых твёрдых сторонников якобинской диктатуры ; общественный обвинитель (1794) при трибуналах гг. Аррас и Камбре, ближайший помощник комиссара Конвента в северных департаментах Ж. Лебона. После Термидорианского переворота 1794 Д. был арестован, но амнистирован в октябре 1795. Примкнул к бабувистскому движению и вскоре стал одним из его руководителей, член тайной повстанческой директории. Был арестован в мае 1796 и по приговору вандомского суда казнён вместе с Г. Бабёфом .

Дартмут

Да'ртмут (Dartmouth), город в Канаде, в провинции Новая Шотландия. 58,7 тыс. жителей (1966). Порт на берегу залива Галифакс. Судостроение. Электротехническая промышленность. Нефтепереработка. Автосборочный завод (шведской компании; 10 тыс. машин в год).

Дарфур

Дарфу'р , плато в Судане, между котловинами озера Чад и Белого Нила. Название «плато» условно, в рельефе господствуют цокольные равнины, сложенные древними кристаллическими породами выступа Африканской платформы; много островных гор. Центральную часть занимает потухший вулкан гора Марра (3088 м ) высшая вершина Д. Климат экваториальный муссонный, жаркий, с сухим сезоном 8—9 мес. Осадков 500—600 мм

в год. Реки эпизодические. Растительность типичных и опустыненных саванн.

Дарфурский султанат

Дарфу'рский султана'т, Дарфур, государство в Судане в 16 — начало 20 вв. Этническую основу составлял народ фур (фор); в юго-западных районах жили племена арабов баггара. Во время расцвета Д. с. (17—18 вв.) в нём преобладали феодальные отношения при наличии сильного рабовладельческого уклада. С 17 в. государственной религией стал ислам. Д. с. поддерживал торговые и культурные отношения с государствами Вадаи, Борну, Египтом. В 1874—98 находился под властью Египта. Население Д. с. активно участвовало в Махдистов восстании . После захвата в сентябре 1898 Судана Великобританией Д. с. некоторое время сохранял формальную независимость. В апреле 1915 султан Д. с. Али Динар (правил с 1898) объявил о полной независимости Д. с. Однако в мае 1916 его войско было разбито англичанами, а в ноябре 1916 он был убит. Территория Д. с. в 1916 была присоединена к Англо-Египетскому Судану. В Республике Судан территория бывшего Д. с. входит в провинцию Дарфур.

Лит. ;Смирнов С. Р., История Судана (1821-1956), М., 1968.

Дархан

Да'рхан, город на С. МНР, в междуречье Хара-Гол и Шарын-Гол. Особая административная единица, приравненная к аймаку. 22,8 тыс. жителей (1963). Второй по величине и индустриальному значению (после Улан-Батора) центр страны. Важный пункт трансмонгольской ж.-д. магистрали. В 60-х гг. с помощью Советского Союза в Д. создан промышленно-энергетический комплекс, включающий Шарынгольский угольный разрез (свыше 1 млн. т угля в год), находящийся к Ю. от Д. В Д. имеются заводы цементный и железобетонных изделий, овчинно-шубная фабрика, мясокомбинат, комбикормовый комбинат; элеватор.

Новый район города Дархана.

Дарьенский залив

Дарье'нский залив (Golfo del Darien), залив на Ю.-З. Карибского моря, у берегов Колумбии и Панамы. Вдаётся в сушу на 165 км. Глубиной в открытой части более 2000 м. Средняя годовая температура воды на поверхности 26 °С. Солёность более 36°/oo . Приливы неправильные, полусуточные, их высота 0,6 м. Южная, узкая, часть Д. з. называется залив Ураба.

Дарьялык

Дарьялы'к, Кунядарья, одно из старых сухих русел р. Амударьи, ниже г. Ургенч, в Туркменской ССР. Раньше воды Амударьи по Д. изливались в Сарыкамышские озёра; последний раз прорыв вод произошёл в 1878.

Дарьяльское ущелье

Дарья'льское уще'лье, ущелье р. Терек в месте пересечения Бокового хребта Большого Кавказа, в Грузинской ССР. На протяжении 3 км над руслом поднимаются скалы до 1000 м высотой. По Д. у. проходит Военно-Грузинская дорога . Д. у. было известно древним географам как «Ворота Кавказа» («Аланские ворота»).

Дар-эс-Салам

Дар-эс-Сала'м (араб. — гавань мира), столица Объединённой Республики Танзании. Политический, экономический и культурный центр страны. Расположен на берегу Индийского океана. Климат субэкваториальный; средняя температура августа около 23 °С, января около 28 °C; осадков около 1500 мм в год. 272,8 тыс. жителей (1967; 128 тыс. жителей в 1957), главным образом народы восточного банту.

Д. основан в 1862 султаном Занзибара на месте рыбачьей деревни Мзизима. В 1887 захвачен Герм. восточноафриканской компанией. С 1891 административный центр Германской Восточной Африки. В 1916 город был занят английскими войсками. В 1919—61 центр английской колониальной администрации Танганьики. В 1961 стал столицей независимого государства Танганьика. С 1964 столица Танзании.

Поделиться:
Популярные книги

Отморозок 3

Поповский Андрей Владимирович
3. Отморозок
Фантастика:
попаданцы
5.00
рейтинг книги
Отморозок 3

Тепла хватит на всех 2

Котов Сергей
2. Миры Пентакля
Фантастика:
научная фантастика
боевая фантастика
космическая фантастика
попаданцы
5.00
рейтинг книги
Тепла хватит на всех 2

Неудержимый. Книга XXVI

Боярский Андрей
26. Неудержимый
Фантастика:
фэнтези
попаданцы
5.00
рейтинг книги
Неудержимый. Книга XXVI

На границе империй. Том 7. Часть 4

INDIGO
Вселенная EVE Online
Фантастика:
боевая фантастика
космическая фантастика
5.00
рейтинг книги
На границе империй. Том 7. Часть 4

Третий Генерал: Том III

Зот Бакалавр
2. Третий Генерал
Фантастика:
попаданцы
рпг
аниме
5.00
рейтинг книги
Третий Генерал: Том III

Государь

Мазин Александр Владимирович
7. Варяг
Фантастика:
альтернативная история
8.93
рейтинг книги
Государь

Первый среди равных. Книга IX

Бор Жорж
9. Первый среди Равных
Фантастика:
попаданцы
аниме
фэнтези
5.00
рейтинг книги
Первый среди равных. Книга IX

Неудержимый. Книга XXI

Боярский Андрей
21. Неудержимый
Фантастика:
попаданцы
аниме
фэнтези
5.00
рейтинг книги
Неудержимый. Книга XXI

Шайтан Иван 5

Тен Эдуард
5. Шайтан Иван
Фантастика:
попаданцы
альтернативная история
историческое фэнтези
5.00
рейтинг книги
Шайтан Иван 5

Измена. Свадьба дракона

Белова Екатерина
Любовные романы:
любовно-фантастические романы
эро литература
5.00
рейтинг книги
Измена. Свадьба дракона

Место для битвы

Мазин Александр Владимирович
2. Варяг
Фантастика:
альтернативная история
9.15
рейтинг книги
Место для битвы

Кодекс Охотника. Книга XXIII

Винокуров Юрий
23. Кодекс Охотника
Фантастика:
боевая фантастика
попаданцы
5.00
рейтинг книги
Кодекс Охотника. Книга XXIII

Имя нам Легион. Том 9

Дорничев Дмитрий
9. Меж двух миров
Фантастика:
боевая фантастика
рпг
аниме
5.00
рейтинг книги
Имя нам Легион. Том 9

Личный аптекарь императора. Том 5

Карелин Сергей Витальевич
5. Личный аптекарь императора
Фантастика:
городское фэнтези
попаданцы
аниме
сказочная фантастика
фэнтези
7.50
рейтинг книги
Личный аптекарь императора. Том 5