Чтение онлайн

на главную - закладки

Жанры

Электричество дома и на даче
Шрифт:

Изолятор ТФ-16 (телефонный фарфоровый) устанавливают на штырь крюка при помощи полиэтиленового колпачка. При отсутствии колпачков изолятор наворачивают на штыревую часть крюка, на которую по ходу резьбы наматывают ровным слоем паклю. Изолятор наворачивают до конца, а затем отворачивают на пол-оборота для предотвращения раскола изолятора при воздействии ветровых нагрузок.

Фарфоровые втулки разных типоразмеров (ВТК-9, ВТК-11, ВТК-13, ВТК-16, ВТК-18, ВТК-20, ВТК-23, ВТК-30) предназначены для оконцевания изоляционных трубок при выходе

из стен и перекрытий, а также для защиты проводов и кабелей от повреждений. Цифры, следующие за буквами в обозначении втулок, указывают внутренний диаметр втулки в мм.

Воронки В-2, В-6, В-10, В-16, В-25, В-35 служат для выполнения вводов с наружной стороны проходов в сырые и особо сырые помещения, а также используются при обходе препятствий открытыми проводами и для вывода проводов наружу при скрытой прокладке. В деревянных стенах втулки и воронки плотно вставляют в отверстия, проделанные буравом.

Кабельные концевые наконечники (рис. 14) предназначены для оконцевания медных многопроволочных жил сечением 1–2,5 мм2.

Рис. 14. Наконечник кабельный кольцевой

На жилах концевые наконечники закрепляются обжатием. Изоляционная лента предназначена для изолирования токопроводящих частей. Чаще всего применяют прорезиненную одностороннюю ленту шириной 10, 15 или 20 мм. Основой изоляционной ленты является пропитанная клейким составом хлопчатобумажная ткань.

К электромонтажным изделиям относятся также ответвительные коробки, силовые ящики, квартирные щитки.

Ответвительные коробки (рис. 15) предназначены для ответвления, протяжки и соединения проводов при открытой и скрытой прокладке и представляют собой металлические или пластмассовые корпуса, закрытые или металлическими пластмассовыми крышками. Некоторые коробки имеют утонения, выламываемые на монтаже для ввода проводов, или надрубы.

Для скрытой проводки, выполняемой проводами АППВ и аналогичными, применяют коробки типов У197, У198, У419, У191. Для открытых проводок, выполняемых плоскими проводами и проводом АПРФ, используют коробки У191, У194, У419, а для проводок, выполненных кабелями АВВГ, АНРГ, – коробки КОР-73.

Рис. 15. Ответвительная коробка:

Коробки и закладные кольца для установки выключателей, переключателей и штепсельных розеток при скрытой электропроводке представляют собой металлический или пластмассовый корпус. Закладные кольца замоноличивают в стеновые панели на домостроительных комбинатах, но их можно устанавливать и при монтаже.

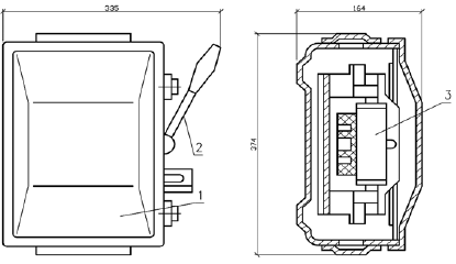
Силовые ящики (рис. 16) служат вводными устройствами для защиты электроприемников и распределения электрической энергии, а также для оперативных отключений.

Рис. 16. Силовой

ящик:

– корпус; 2 – рубильник; 3 – предохранители

В строительстве часто применяют ящики ЯВП2-60 и ЯРВМ-6122. Можно применять и другие ящики аналогичной конструкции, например типа ЯРП11-302 или ЯБПВУ-1м.

Выпускаются ящики для эксплуатации при температуре воздуха от -40 до +45 °C или от -10 до +40 °C.

Ящики монтируют на стене с наружной стороны дома в вертикальном положении, рукоятка рубильника располагается обычно справа. Допускается отклонение ящика от рабочего положения до 5° в любую сторону.

Обычно конструкция ящиков обеспечивает блокировку рубильника с крышкой таким образом, что при включенном рубильнике крышку невозможно открыть, а при открытой крышке рубильник невозможно включить без нарушения блокировки. Ящики допускают ввод и присоединение сверху или снизу бронированных и небронированных кабелей и проводов в трубах с алюминиевыми или медными жилами с резиновой или пластмассовой изоляцией с сечением жил до 50 мм2 на фазу при номинальном токе 100 А.

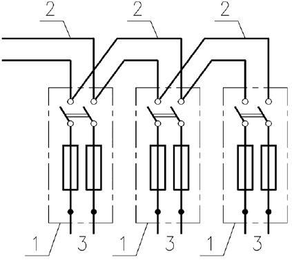
При присоединении построек к электрической сети в цепочку (рис. 17) ящик соединяют следующим образом: к вводным зажимам рубильника присоединяют по два провода. Сечение проводника, присоединяемого от первого ящика к последующему, составляет не более половины сечения проводника, присоединенного к первому ящику со стороны сети.

Рис. 17. Схема присоединения приусадебных построек в цепочку:

1– распределительный ящик; 2 – кабель; 3 – провода к квартирному щитку

У некоторых конструкций ящиков предусмотрено запирание рукоятки рубильника в положении «отключено» висячим замком.

В домах частной постройки и в квартирах используются так называемые квартирные щитки.

Квартирные щитки предназначены для распределения и учета электрической энергии, а также для защиты отходящих линий при перегрузках и коротких замыканиях.

Щитки эксплуатируются при температуре окружающего воздуха от +1 до +40 °C, относительной влажности воздуха до 80 % при температуре 25 °C и при более низких температурах без конденсации влаги в окружающей среде, не содержащей газов, жидкостей и пыли в концентрациях, нарушающих работу щитков. Рабочее положение щитка – вертикальное, с отклонением не более 1°.

На щитках устанавливают автоматические выключатели переднего присоединения типов АЕ 1000, АБ-25, ВАН с номинальным током расцепителей 16 и 25 А или однополюсные резьбовые предохранители, пакетный выключатель, используемый в качестве вводного аппарата, и счетчик.

Некоторые щитки изготовляют с нулевой шиной, имеющей зажимы для присоединения медных или алюминиевых жил сечением, равным сечению фазных проводов. Однополюсные плавкие резьбовые предохранители состоят из основания с крышкой, крепежных деталей и плавких вставок.

Поделиться:
Популярные книги

Александр Агренев. Трилогия

Кулаков Алексей Иванович
Александр Агренев
Фантастика:
альтернативная история
9.17
рейтинг книги
Александр Агренев. Трилогия

Отмороженный 8.0

Гарцевич Евгений Александрович
8. Отмороженный
Фантастика:
постапокалипсис
рпг
аниме
5.00
рейтинг книги
Отмороженный 8.0

Князь

Мазин Александр Владимирович
3. Варяг
Фантастика:
альтернативная история
9.15
рейтинг книги
Князь

Идеальный мир для Лекаря 15

Сапфир Олег
15. Лекарь
Фантастика:
боевая фантастика
юмористическая фантастика
аниме
5.00
рейтинг книги
Идеальный мир для Лекаря 15

Кодекс Охотника. Книга VII

Винокуров Юрий
7. Кодекс Охотника
Фантастика:
фэнтези
попаданцы
аниме
4.75
рейтинг книги
Кодекс Охотника. Книга VII

(Не)свободные, или Фиктивная жена драконьего военачальника

Найт Алекс
Любовные романы:
любовно-фантастические романы
5.00
рейтинг книги
(Не)свободные, или Фиктивная жена драконьего военачальника

Система Возвышения. (цикл 1-8) - Николай Раздоров

Раздоров Николай
Система Возвышения
Фантастика:
боевая фантастика
4.65
рейтинг книги
Система Возвышения. (цикл 1-8) - Николай Раздоров

Новые горизонты

Лисина Александра
5. Гибрид
Фантастика:
попаданцы
технофэнтези
аниме
сказочная фантастика
фэнтези
5.00
рейтинг книги
Новые горизонты

Весь цикл «Десантник на престоле». Шесть книг

Ланцов Михаил Алексеевич
Десантник на престоле
Фантастика:
альтернативная история
8.38
рейтинг книги
Весь цикл «Десантник на престоле». Шесть книг

Мир-о-творец

Ланцов Михаил Алексеевич
8. Помещик
Фантастика:
альтернативная история
5.00
рейтинг книги
Мир-о-творец

Ведьмак (большой сборник)

Сапковский Анджей
Ведьмак
Фантастика:
фэнтези
9.29
рейтинг книги
Ведьмак (большой сборник)

Личный аптекарь императора. Том 2

Карелин Сергей Витальевич
2. Личный аптекарь императора
Фантастика:
городское фэнтези
попаданцы
аниме
5.00
рейтинг книги
Личный аптекарь императора. Том 2

Восход. Солнцев. Книга I

Скабер Артемий
1. Голос Бога
Фантастика:
фэнтези
попаданцы
аниме
5.00
рейтинг книги
Восход. Солнцев. Книга I

На границе империй. Том 8. Часть 2

INDIGO
13. Фортуна дама переменчивая
Фантастика:
космическая фантастика
попаданцы
5.00
рейтинг книги
На границе империй. Том 8. Часть 2