Чтение онлайн

на главную - закладки

Жанры

Электричество дома и на даче
Шрифт:

ПРФ, АПРФ – осветительные и силовые сети в сухих помещениях при наличии угрозы легких механических воздействий на провод, а также в тех случаях, когда открытая проводка должна быть выполнена по архитектурным соображениям незаметной – открыто с закреплением скобами;

АР, АРД – зарядка осветительных арматур в сухих помещениях при напряжении до 220 В между жилами в том случае, если от проводов не требуется гибкости – внутри и поверх осветительных арматур;

ДПРГ – зарядка осветительных арматур вне зданий и в сырых помещениях при напряжении до 220 В в том случае, если провода должны обладать гибкостью – внутри осветительных арматур;

ППВ, АППВ – осветительные

проводки внутри сухих и сырых помещений по стенам и потолкам в сетях с номинальным напряжением до 500 В – открыто с закреплением гвоздями или скобами;

АППВС – проводки в сухих и сырых помещениях в сетях напряжением до 660 В – скрытая прокладка под штукатуркой.

Определение сечения жил проводов

Для точного определения сечения жил проводов, выбора выключателей, розеток, аппаратов защиты и учета электроэнергии необходимо знать протекающие по ним токи, величина которых зависит от схемы проводки и мощности потребителей.

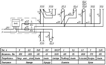
В качестве примера расчета токов воспользуемся расчетной электрической схемой (рис. 28).

Рис. 28. Расчетная электрическая схема жилого дома

Токи потребителей электроэнергии можно взять из паспортов и инструкций. Если этих данных нет, их можно вычислить, разделив мощность электрического прибора в ваттах на номинальное напряжение питания (обычно 220 В). При определении тока однофазного электродвигателя полученную величину следует умножить на 2, чтобы учесть коэффициент полезного действия и реальные токи, потребляемые из сети.

Расчет ведут против потока энергии – от дальнего потребителя к щитку (в нашем случае расчет надо вести от настенный светильник к щитку). По проводам розетки Х51 до ответвления Х52 протекает только ток лампы настенного светильника, равный 0,1 А. Далее к нему добавляются токи телевизора (1 А), люстры (0,81 А). Значит, по проводам, введенным в комнату, протекает суммарный ток 1,91 А. Если вести расчет дальше, выяснится, что наибольшей нагрузкой в линии является электроплита с током 7,2 А, а по проводам ответвления к розеткам Х53 и Х54 течет суммарный ток плиты и холодильника 9,2 А. Наиболее нагружены провода на участке от места ответвления к розеткам Х53 и Х54 до щитка. По ним и по плавкой вставке предохранителя FU1течет суммарный ток всех нагрузок линии, равный примерно 12 А.

Расчет второй линии дает величину тока, протекающего по проводам ее головного участка и плавкой вставке предохранителя FU2 (6, 45 А). А через счетчик проходит суммарный ток обеих линий – около 19 А.

Токи в фазном и нулевом проводах по величине одинаковы. Направления токов на участках проводки, показанные около фазных проводов, взяты произвольно.

При составлении схемы учитывалось следующее.

Электрические нагрузки значительной мощности размещены поближе к вводному щитку, чтобы провода к их розеткам не имели соединений и были максимально короткими. При значительном удалении мощной нагрузки от щитка ее ток вызовет падение напряжения в протяженных проводах линии. Напряжение на других потребителях будет меняться при включении и выключении мощной нагрузки, что проявится в мигании ламп освещения, изменении яркости экрана телевизора и т. д. А при короткой линии к мощному потребителю, выполненной проводами с большим сечением жил, такие эффекты будут минимальными.

Из

токов двух потребителей, подключаемых к розетке Х55 – стиральная машина и утюг, – в расчет взят, создающий большие нагрузки для проводки.

Корпуса большинства электроплит, жарочных шкафов должны быть занулены. Для их подключения нужна розетка с защитным зануляющим контактом, которую устанавливают в кухне.

Подсчет токов потребителей показывает, что через предохранители FU1 и FU2 потекут токи 11, 76 и 6,45 А. Эти показатели важны при выборе номинальных токов плавких вставок предохранителей.

Надо иметь в виду, что реальные токи через предохранители и счетчик будут меньше, так как в доме редко включаются все потребители одновременно, однако выбор проводов, аппаратов защиты и учета электроэнергии надо вести применительно к такому случаю.

А теперь стоит рассмотреть выбор сечения жил проводов.

Провода проводки при протекании по ним тока имеют температуру, большую температуры окружающей среды. Она не действует отрицательно на металл проводов, но разрушает изоляцию на них, которая при нагреве стареет, становится хрупкой, трескается и осыпается.

На нагрев жил проводов влияют способ прокладки проводов, их число, размещение рядом, материал изоляции. Эти факторы должны учитываться при выборе сечения жил, которое позволило бы обеспечить питание потребителей без перегрева проводов.

Из двух величин сечения жил проводов, выбранных по условиям нагрева длительно протекающим током и механической прочности, для монтажа выбирается наибольшая.

П р и м е р в ы б о р а с е ч е н и я ж и л п р о в о д о в. Исходные данные (токи на участках проводки по нашей расчетной схеме): провод – АПРФ с 2 или 3 алюминиевыми жилами в резиновой изоляции в фальцованной оболочке из алюминия; способ прокладки – по поверхности стен и потолков.

Выбор по условиям нагрева. Сечение жил проводов ввода от изолятора на наружной стороне стены дома до счетчика – 2,5 мм2 (длительно допустимый ток – 21 А, расчетный – 18, 21 А). Сечение жил проводов от щитка до розеток Х53, Х54 – 2,5 мм(длительно допустимый ток – 21 А, расчетный 11,76 А). Провод АПРФ выпускается с жилами не менее 2,5 мм2, поэтому он применим и на всех других участках, где токи меньше, чем токи в головных участках первой линии.

Выбор по условию механической прочности. Наименьшее допустимое сечение алюминиевых жил защищенных проводов, присоединяемых к винтовым зажимам, – 2 мм2, минимальное допустимое сечение алюминиевых жил проводов ввода – 4 мм2.

Сечение жил проводов ввода в здание выбирается по условию механической прочности – 4 мм2. Сечение жил проводов от щитка до розеток Х53, Х54 – 4 мм2. Это решение выглядит нерациональным, так как провода с сечением жил 2,5 мм2 допускают длительное протекание тока до 21 А без перегрева, а расчетный ток не превышает 12 А. Но раз придется приобретать провод сечением 4 мм2 для ввода в дом, то есть смысл и самый нагруженный участок проводки от щитка до розетки электроплитки выполнить проводами большего сечения, что снизит их нагрев и уменьшит колебания напряжения в сети. Для всех остальных участков проводки можно использовать провод с сечением жил 2,5 мм2.

Поделиться:
Популярные книги

Газлайтер. Том 9

Володин Григорий
9. История Телепата
Фантастика:
фэнтези
попаданцы
5.00
рейтинг книги
Газлайтер. Том 9

Законы Рода. Том 6

Андрей Мельник
6. Граф Берестьев
Фантастика:
юмористическое фэнтези
аниме
5.00
рейтинг книги
Законы Рода. Том 6

Черный Хирург

Кораблев Родион
18. Другая сторона
Фантастика:
боевая фантастика
попаданцы
рпг
фантастика: прочее
5.00
рейтинг книги
Черный Хирург

(Не)зачёт, Дарья Сергеевна!

Рам Янка
8. Самбисты
Любовные романы:
современные любовные романы
5.00
рейтинг книги
(Не)зачёт, Дарья Сергеевна!

Мастер 5

Чащин Валерий
5. Мастер
Фантастика:
попаданцы
аниме
5.00
рейтинг книги
Мастер 5

Я князь. Книга XVIII

Дрейк Сириус
18. Дорогой барон!
Фантастика:
юмористическое фэнтези
попаданцы
аниме
5.00
рейтинг книги
Я князь. Книга XVIII

Инженер Петра Великого 5

Гросов Виктор
5. Инженер Петра Великого
Фантастика:
попаданцы
альтернативная история
фэнтези
4.75
рейтинг книги
Инженер Петра Великого 5

Песец всегда прав

Видум Инди
6. Под знаком Песца
Фантастика:
альтернативная история
аниме
5.00
рейтинг книги
Песец всегда прав

Бастард Императора. Том 10

Орлов Андрей Юрьевич
10. Бастард Императора
Фантастика:
городское фэнтези
попаданцы
аниме
фэнтези
фантастика: прочее
5.00
рейтинг книги
Бастард Императора. Том 10

Наследие Маозари 5

Панежин Евгений
5. Наследие Маозари
Фантастика:
фэнтези
юмористическое фэнтези
5.00
рейтинг книги
Наследие Маозари 5

Шайтан Иван

Тен Эдуард
1. Шайтан Иван
Фантастика:
боевая фантастика
попаданцы
альтернативная история
5.00
рейтинг книги
Шайтан Иван

Я все еще барон

Дрейк Сириус
4. Дорогой барон!
Фантастика:
боевая фантастика
5.00
рейтинг книги
Я все еще барон

Военный инженер Ермака. Дилогия

Воронцов Михаил
1. Военный инженер
Фантастика:
попаданцы
альтернативная история
фантастика: прочее
фэнтези
5.00
рейтинг книги
Военный инженер Ермака. Дилогия

Бастард

Майерс Александр
1. Династия
Фантастика:
попаданцы
аниме
фэнтези
5.00
рейтинг книги
Бастард