В помощь радиолюбителю. Выпуск 12

на главную - закладки

Жанры

Поделиться:

В помощь радиолюбителю. Выпуск 12

Шрифт:

Annotation

В данном выпуске приведены краткие описания и принципиальные схемы конструкций, ранее опубликованных в радиолюбительской литературе, которых вполне достаточно для сборки и налаживания каждой схемы. Учтены интересы начинающих радиолюбителей самого разного возраста.

Для широкого круга читателей.

Составитель: Никитин Вильямс Адольфович

Глава 1

1.1. Мини-тестер

1.2. Омметр с линейной шкалой

1.3. Измеритель индуктивности с линейной шкалой

1.4. Измеритель емкости на ИМС

1.5.

Генератор 3Ч

1.6. Простой RC-генератор

Глава 2

2.1. «Электрический стул» для носа

2.2. Устройство для лечения магнитным полем

2.3. «Антимигреневый» генератор

2.4. Помощник для слепых

2.5. Горный воздух в комнате

Глава 3

3.1. Сторожевое устройство

3.2. Сирены личной охраны

3.3. Детектор вибраций [14]

3.4. Охранное устройство

Глава 4

4.1. Электронная «приманка» для рыб

4.2. Береговой лот

4.3. Автомат кормит аквариумных рыб

4.4. Электромеханический «рыболов»

Глава 5

5.1. Термометр с полупроводниковым датчиком. [20]

5.2. Электронный термометр

5.3. Быстродействующий термометр

5.4. Медицинский термометр

Глава 6

6.1. Звонок включает свет в прихожей

6.2. Регулятор яркости светильника с плавным включением

6.3. Сенсорный выключатель светильника

6.4. Светорегулятор с выдержкой времени

Приложение

Литература

Составитель: Никитин Вильямс Адольфович

«В помощь радиолюбителю»

Выпуск 12

(Электроника своими руками)

Глава 1

ИЗМЕРИТЕЛЬНЫЕ ПРИБОРЫ

1.1. Мини-тестер

Жердев А. [1]

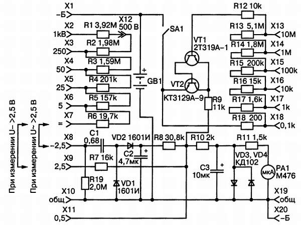
Миниатюрный тестер, собранный по схеме, приведенной на рис. 1, состоит из вольтметра постоянных и переменных напряжений и омметра.

Рис. 1. Принципиальная схема мини-тестера

В качестве стрелочного прибора РА1 используется микроамперметр типа М476 с током полного отклонения стрелки 125 мкА, который применяется в аудиомагнитофонах

для установки уровня записи. Сопротивления добавочных резисторов R10 и R11 обеспечивают полное отклонение стрелки микроамперметра при подаче на клемму X11 постоянного напряжения 0,5 В, а на клемму Х9 напряжения 2,5 В благодаря добавочному резистору R7. Резисторы R1-R6 служат для получения пределов измерения 5, 25, 50, 250 и 1000 В при соответствующем использовании клемм Х6, Х5, Х4, Х3 и Х2. Измерения постоянного напряжения производятся при подключении перемычки между клеммами Х9 и Х7.

Для измерения переменного напряжения схема содержит выпрямитель с удвоением напряжения, собранный на диодах VD1 и VD2 и конденсаторах С1 и С2. Для отклонения стрелки микроамперметра на всю шкалу при подаче на клемму Х9 эффективного значения переменного напряжения 2,5 В используется добавочный резистор R8. Для измерения напряжений, превышающих 2,5 В, используется перемычка между клеммами Х8 и Х7 и те же клеммы Х2-Х6, что и при измерениях постоянных напряжений, с теми же пределами измерений.

Для включения омметра используется ключ SA1. Резистор Rx, сопротивление которого необходимо измерить, подключается между клеммой «Общ» и одной из клемм Х13-Х18.

Если сопротивление резистора Rx составляет, например, 100 кОм и он подключен к клемме Х15, к батарее GB1 оказывается присоединено последовательное соединение резисторов R18, R17, R16, R15 и Rx. При этом падение напряжения на резисторе Rx оказывается равным:

Это напряжение поступает на вход составного эмиттерного повторителя, собранного на транзисторах VT1, VT2.

С выхода эмиттерного повторителя напряжение такой же величины поступает на вольтметр через добавочный резистор R9, сопротивление которого выбрано так, что в точке соединения R9 и R10 оказывается напряжение 0,5 В, что соответствует полному отклонению стрелки микроамперметра. В связи с чрезвычайно малым током базы транзистора VT1, резисторы R14, R13 и R12 на работу схемы не влияют. Если поочередно в качестве Rx подключать резисторы разных сопротивлений, можно отградуировать шкалу прибора.

Остальные элементы схемы имеют следующее назначение. Резистор R19 обеспечивает необходимую утечку конденсатора С1. Резистор R10 с конденсатором С3 образуют фильтр нижних частот для гашения пульсаций выпрямленного напряжения. Диоды VD3, VD4 защищают стрелочный прибор от возможных перегрузок.

1.2. Омметр с линейной шкалой

Серебров Н. [2]

Принцип измерения сопротивлений этим прибором состоит в том, что пропускается стабильный ток через измеряемый резистор и образующееся на нем падение напряжения измеряется вольтметром.

Комментарии:
Популярные книги

Пепел и кровь

Шебалин Дмитрий Васильевич
4. Чужие интересы
Фантастика:
фэнтези
попаданцы
5.00
рейтинг книги
Пепел и кровь

Золушка вне правил

Шах Ольга
Любовные романы:
любовно-фантастические романы
6.83
рейтинг книги
Золушка вне правил

Комбинация

Ланцов Михаил Алексеевич
2. Сын Петра
Фантастика:
попаданцы
альтернативная история
5.00
рейтинг книги
Комбинация

Эволюционер из трущоб. Том 12

Панарин Антон
12. Эволюционер из трущоб
Фантастика:
попаданцы
аниме
фэнтези
5.00
рейтинг книги
Эволюционер из трущоб. Том 12

Черный Маг Императора 15

Герда Александр
15. Черный маг императора
Фантастика:
юмористическое фэнтези
попаданцы
аниме
сказочная фантастика
фэнтези
фантастика: прочее
5.00
рейтинг книги
Черный Маг Императора 15

Графиня с изъяном. Тайна живой стали

Лин Айлин
Фантастика:
фэнтези
героическая фантастика
киберпанк
5.00
рейтинг книги
Графиня с изъяном. Тайна живой стали

Неудержимый. Книга XXIII

Боярский Андрей
23. Неудержимый
Фантастика:
попаданцы
фэнтези
фантастика: прочее
5.00
рейтинг книги
Неудержимый. Книга XXIII

Неудержимый. Книга XVI

Боярский Андрей
16. Неудержимый
Фантастика:
фэнтези
попаданцы
аниме
5.00
рейтинг книги
Неудержимый. Книга XVI

Тринадцатый VI

NikL
6. Видящий смерть
Фантастика:
фэнтези
попаданцы
аниме
5.00
рейтинг книги
Тринадцатый VI

Тайные поручения

Билик Дмитрий Александрович
6. Бедовый
Фантастика:
юмористическое фэнтези
городское фэнтези
мистика
5.00
рейтинг книги
Тайные поручения

Кровь на эполетах

Дроздов Анатолий Федорович
3. Штуцер и тесак
Фантастика:
альтернативная история
7.60
рейтинг книги
Кровь на эполетах

Инженер Петра Великого 5

Гросов Виктор
5. Инженер Петра Великого
Фантастика:
попаданцы
альтернативная история
фэнтези
4.75
рейтинг книги
Инженер Петра Великого 5

Отмороженный 8.0

Гарцевич Евгений Александрович
8. Отмороженный
Фантастика:
постапокалипсис
рпг
аниме
5.00
рейтинг книги
Отмороженный 8.0

Княжья Русь

Мазин Александр Владимирович
6. Варяг
Приключения:
исторические приключения
9.04
рейтинг книги
Княжья Русь