Чтение онлайн

на главную - закладки

Жанры

В помощь радиолюбителю. Выпуск 12
Шрифт:

Если теперь открыть дверь, разомкнув контакты S1, высокий уровень на выводе 2 DD2 поступит на вход R1 DD1, переводя первый триггер в нулевое состояние. Уровень «0» с вывода 2 DD1 поступит на четыре входа DD2, и в результате на этих выходах образуется высокий уровень, которым отопрется тиристор, сработает реле К1 и контактами К1.1 включит сигнализацию.

Для допуска в помещение доверенных лиц служит геркон SF1, размещенный в секретном месте у входа в помещение.

При воздействии на него магнитом второй триггер DD1 переводится в состояние «1», и высокий уровень поступает на вход блокировки DD2. Поэтому на ее выходах принудительно создается низкий уровень,

тиристор остается запертым, и сигнализация включена не будет.

Большим достоинством этого устройства является минимальное потребление энергии, благодаря чему можно использовать автономный источник питания. На рис. 18 приводится эскиз печатной платы устройства.

Рис. 18. Эскиз печатной платы сторожевого устройства

В качестве электромагнитного реле К1 автор рекомендовал использовать РЭС-55А, паспорт РС4.569.607П2 или РС4.569.600-06 (согласно ГОСТ 16121-86), однако реле этого типа допускают напряжение между контактами не более 36 В. Если контактами К1.1 должно коммутироваться напряжение 220 В при токе между контактами до 300 мА, лучше использовать реле РЭС-10, паспорт РС4.524.308П2 или РС4.529.031-07 (согласно ГОСТ 16121-86).

3.2. Сирены личной охраны

Шустов М. [13]

Сирены этого класса в носимом варианте рассчитаны на индивидуальное применение для защиты от хулиганов, но могут также использоваться в составе систем охранной сигнализации или монтироваться внутрь кейсов или чемоданов.

Предлагаемая сирена может питаться от автономного источника энергии и в ждущем режиме потребляет единицы микроампер. Схема задающего модуля сирены показана на рис. 19.

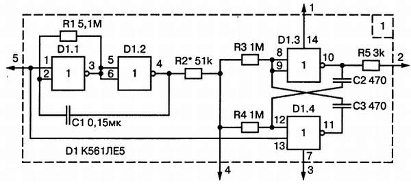
Рис. 19. Принципиальная схема задающего модуля сирены

Задающий модуль сирены собран на элементах 2ИЛИ-НЕ микросхемы К561ЛЕ5. Элементы DD1.1 и DD1.2 образуют импульсный генератор, собранный по традиционной схеме с емкостной обратной связью через конденсатор С1. На элементах DD1.3 и DD1.4 собран симметричный триггер, обеспечивающий получение на выходе (вывод 2) прямоугольных колебаний типа «Меандр».

Принципиальная схема сирены с задающим модулем приведена на рис. 20.

Рис. 20. Принципиальная схема сирены личной охраны

В исходном состоянии контакты тревоги SB1 разомкнуты, составной транзистор, образованный парой VT1, VT2, заперт, и генерация задающего модуля отсутствует. При замыкании контактов SB1 конденсатор С1 быстро заряжается от источника питания, и отпирается составной транзистор VT1/VT2. В результате выводы 3 и 5 задающего модуля заземляются и возникает генерация. Прямоугольные импульсы с выхода задающего модуля поступают на базу составного транзистора VT3/VT4, он отпирается каждым импульсом, и динамическая головка

ВА1 воспроизводит звук, частота которого определяется задающим модулем. После размыкания контактов SB1 конденсатор С1 медленно разряжается, и через 2–3 минуты составной транзистор VT1/VT2 запирается, что приводит к прекращению генерации сигнала.

3.3. Детектор вибраций [14]

Чувствительным элементом этой конструкции является пьезоэлектрическая пластина от зуммера, резонансная частота которой находится в пределах от 1500 до 3000 Гц. Это позволяет обнаруживать импульсные сигналы на фоне сильных фоновых шумов.

Принципиальная схема детектора приведена на рис. 21.

Рис. 21. Принципиальная схема детектора вибраций

Функции микрофона ВМ1 выполняет пьезоэлектрическая пластина, приклеенная к стеклу окна. Сигнал усиливается операционным усилителем DA1 и выпрямляется диодом VD1. Выпрямленным током заряжается конденсатор С2 через резисторы RP1 и R5. При достижении напряжением на С2 порога срабатывания триггера, собранного на элементах 2ИЛИ-НЕ DD1.1 и DD1.2, он перебрасывается, на выводе 4 появляется высокий уровень, которым отпирается транзистор VT1, и с небольшой задержкой благодаря конденсатору С5 срабатывает реле К1. Контакты этого реле используются в охранной системе. Устройство питается от батареи с напряжением 9-15 В, которое поступает на электронный стабилизатор DA2 с выходным напряжением 5 В.

В качестве операционного усилителя можно использовать К544УД2, элементы DD1.1 и DD1.2 — из микросхемы К561ЛЕ5, стабилизатора DA2 — КР142ЕН5А, транзистора — КТ315Б, УБ1-1ГД507А, УБ2-Д223Б.

Чувствительность детектора можно регулировать переменным резистором RP1.

3.4. Охранное устройство

Герасев Е. [15]

Это охранное устройство так же, как описанное в разделе 3.1, для доступа в помещение доверенных лиц использует «магнитный ключ», но построено иначе.

Принципиальная схема этого устройства приведена на рис. 22.

Рис. 22. Принципиальная схема охранного устройства

Здесь используются две микросхемы 176-й серии: DD1 — 4 элемента 2ИЛИ-НЕ и DD2 — 4 элемента 2И-НЕ. При подаче питания медленно заряжаются конденсаторы С1 и С2 соответственно через резисторы R1 и R2. Заряд длится 30–40 с, и за это время нужно успеть покинуть помещение и закрыть дверь. С момента включения и в процессе заряда конденсатора С1 на входе 2 DD2.1 действует низкий уровень, значит, на выходе 3 DD2.1 — высокий уровень. Элементы DD2.1 и DD2.2 образуют триггер, для которого активным сигналом является отрицательный перепад напряжения. Поэтому после того как С1 зарядится и на вход 2 DD2.1 поступит высокий уровень, состояние триггера не изменится и на выходе 3 DD2.1 останется высокий уровень. Поэтому на выходе 11 DD1.4 действует низкий уровень, запирающий мультивибратор, собранный на элементах DD2.3 и DD2.4.

Поделиться:
Популярные книги

На крыльях любви. Лебедь

Грин Эмилия
Любовные романы:
5.00
рейтинг книги
На крыльях любви. Лебедь

Гримуар тёмного лорда I

Грехов Тимофей
Фантастика:
фэнтези
попаданцы
аниме
5.00
рейтинг книги
Гримуар тёмного лорда I

Восход. Солнцев. Книга IV

Скабер Артемий
4. Голос Бога
Фантастика:
фэнтези
попаданцы
аниме
5.00
рейтинг книги
Восход. Солнцев. Книга IV

Кодекс Крови. Книга I

Борзых М.
1. РОС: Кодекс Крови
Фантастика:
фэнтези
попаданцы
аниме
5.00
рейтинг книги
Кодекс Крови. Книга I

Повелитель теней. Том 1

Романов Вик
1. Повелитель теней
Фантастика:
фэнтези
попаданцы
аниме
5.00
рейтинг книги
Повелитель теней. Том 1

Совершенный: охота

Vector
3. Совершенный
Фантастика:
боевая фантастика
рпг
5.00
рейтинг книги
Совершенный: охота

Сердце Дракона. нейросеть в мире боевых искусств (главы 1-650)

Клеванский Кирилл Сергеевич
Фантастика:
фэнтези
героическая фантастика
боевая фантастика
7.51
рейтинг книги
Сердце Дракона. нейросеть в мире боевых искусств (главы 1-650)

Ликвидатор на службе Империи

Бор Жорж
1. Ликвидатор на службе Империи
Фантастика:
фэнтези
аниме
5.00
рейтинг книги
Ликвидатор на службе Империи

Госпожа Доктор

Каплунова Александра
Фантастика:
попаданцы
фэнтези
5.00
рейтинг книги
Госпожа Доктор

В зоне особого внимания

Иванов Дмитрий
12. Девяностые
Фантастика:
попаданцы
альтернативная история
5.00
рейтинг книги
В зоне особого внимания

Отмороженный 5.0

Гарцевич Евгений Александрович
5. Отмороженный
Фантастика:
боевая фантастика
рпг
5.00
рейтинг книги
Отмороженный 5.0

Цветочная империя попаданки

Милославская Анастасия
Любовные романы:
любовно-фантастические романы
5.00
рейтинг книги
Цветочная империя попаданки

Неофит

Вайт Константин
1. Аннулет
Фантастика:
попаданцы
альтернативная история
аниме
5.00
рейтинг книги
Неофит

Московское золото или нежная попа комсомолки. Часть Вторая

Хренов Алексей
2. Летчик Леха
Фантастика:
попаданцы
5.00
рейтинг книги
Московское золото или нежная попа комсомолки. Часть Вторая