Чтение онлайн

на главную - закладки

Жанры

Электричество дома и на даче
Шрифт:

В зависимости от способов прокладки кабелей в коробах или лотках (многослойная, пучками и т. д.) вводят коэффициенты снижения электрической нагрузки на эти кабели.

Тросовыми электропроводками называют электропроводки, выполненные специальными проводами с встроенным в них стальным несущим тросом, а также проводки, выполненные установочными изолированными проводами или кабелями, свободно подвешенными или жестко закрепленными на отдельных стальных несущих тросах.

Специальные коробки используют при ответвлении на тросовых проводах, в которых предусматривается запас троса и проводов, необходимый для присоединения отходящей линии.

Натяжные муфты, анкеры, зажимы и т. д. применяют для монтажа тросовых проводок.

Скрытую

электропроводку применяют в крупнопанельных жилых домах при монтаже в замоноличенных пластмассовых трубах, коробах и закладных элементах, которые устанавливают в строительные конструкции на заводах. Пакеты проводов предварительно заготовляют на технологических линиях мастерских электромонтажных заготовоки доставляют в контейнерах на объекты. Там готовые пакеты проводов затягивают в трубы до выполнения отделочных работ. Потом в закладных элементах устанавливают штепсельные розетки и выключатели.

Одно из главных электротехнических устройств – электропроводка. В состав установки для искусственного освещения входят источники света, осветительная арматура, пускорегулирующие устройства, электропроводки и РУ с аппаратами защиты и управления.

Осветительной арматурой называют устройство, обеспечивающее установку источника света, его защиту от внешних воздействий, перераспределение светового потока и экранирование избыточной яркости. Осветительная арматура состоит из корпуса, лампового держателя (патрона), оптической системы (отражателя, рассеивателя), подвески и проводов для присоединения к электропроводке.

Осветительную арматуру с лампой называют светильником.

Устанавливают светильники непосредственно на строительных основаниях сооружений или на кронштейнах, тросах, крюках, шпильках и т. д.

Из светильников монтируют блоки, световые линии, установленные на шинопроводах, коробах, специальных перфорированных профилях. Присоединение к магистралям ответвлений проводов производят опрессовкой, сваркой, сжимами и т. д.

Распределение электроэнергии

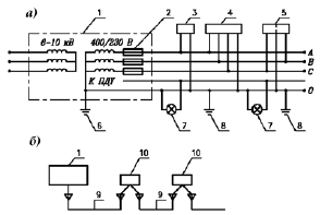
Наружные сети. К квартире, индивидуальному дому вилле или дачному домику электрическая энергия подводится при номинальном напряжении 220 В по отходящим линиям распределительной сети, которые берут начало на трансформаторной подстанции (ТП). К ТП электроэнергию подают в большинстве случаев трехфазным током по трехпроводным высоковольтным линиям при напряжении от 6 до 35 кВ, а отводят по трехфазным четырехпроводным: три провода фазных, четвертый – нулевой или нейтральный. В городах линии прокладывают кабелями в земле, в сельской местности – воздушными линиями (ВЛ). При этом неизолированные провода монтируют на фарфоровых или стеклянных изоляторах, укрепленных на деревянных, железобетонных или металлических опорах. Если вдоль ВЛ предусматривают уличное освещение, прокладывают еще один («фонарный») провод. Его монтируют на опорах отходящей ВЛ, в результате получается пятипроводная линия. Уличное освещение подключают к «фонарному» и нулевому проводам. Для управления уличным освещением ставят коммутационный аппарат (выключатель или магнитный пускатель) и к его контактам присоединяют «фонарный» провод и один из фазных.

В четырехпроводных электрических сетях нулевой провод обязательно заземляют. Заземление сооружают на ТП. Кроме того, через каждые 100-200 м по трассе отходящих ВЛ и на концевых опорах устраивают повторные заземления нулевого провода.

От четырех– или пятипроводной ВЛ, проходящей обычно вдоль сельской улицы, делают отводы к потребителям, распределяя нагрузки на каждую фазу более или менее равномерно. При двухпроводных (однофазных) ответвлениях этого достигают, чередуя их от каждой фазы ВЛ. Например, от первой фазы делают отвод к первому потребителю, от второй – ко второму, от третьей – к третьему, к четвертому – снова от первой и т. д. Другой провод каждого двухпроводного отвода присоединяют к нулевому проводу ВЛ.

Рис. 2. Схема

подключения потребителей к ВЛ (а) и к кабельной (б) линиям:

1 — трансформаторная подстанция; 2 – предохранители иоли автоматические выключатели в фазных проводах А, В и С (в нулевом проводе защитные и коммутационные аппараты устанавливать запрещается); 3 – здание с двухпроводным однофазным вводом: фаза А или В (С) и нуль; 4 – здание с четырехпроводным трехфазным вводом; 5 – двухквартирный дом с трехпроводным ответвлением (однофазным вводом к каждой квартире); 6 – контур заземления подстанции; 7 — светильник уличного освещения; 8 – повторные заземлители по трассе; 9 – кабельная линия; 10 – вводное устройство (силовой ящик)

Встречаются также трех– и четырехпроводные ответвления: трехпроводные иногда делают к двухквартирным домам для электроснабжения двух потребителей от разных фаз с общим нулевым проводом, четырехпроводные – к многоквартирным домам, чтобы равномерно распределить по фазам нагрузки каждой квартиры. Чем равномернее распределены по фазам электрические нагрузки, тем меньше потери электроэнергии.

Четырехпроводные ответвления выполняют также к потребителям, имеющим трехфазные электроприемники.

Электроприемники одно– и трехфазного тока. Раньше электричеством пользовались в быту только для освещения, а электрическая лампа – однофазный электроприемник, поэтому однофазный ток и получил широчайшее распространение у индивидуальных потребителей. Такая система электроснабжения не вызывала затруднений с внедрением в обиход электронагревательных приборов, радиоэлектронной аппаратуры и приборов культурно-бытового назначения, так как на потребительские свойства этих приборов не влияет, предназначены они для одно– или трехфазного тока. Иное положение с электродвигателями. Простейшие по конструкции, несложные в эксплуатации и самые массовые по применению в производственных условиях трехфазные асинхронные двигатели не могут эффективно работать при однофазном токе. Поэтому в бытовых электропылесосах, стиральных машинах, компрессионных холодильниках, различных кухонных машинах, а также в электроинструментах используют однофазные электродвигатели. Надо признать, что они, во-первых, сложнее трехфазных, во-вторых, менее экономичны. По мере роста мощности однофазных электродвигателей их недостатки по сравнению с трехфазными становятся все более ощутимыми. Так, при мощности 1,3 кВт однофазные электродвигатели настолько громоздки, что их применение в быту становится затруднительным. Эту мощность стали считать предельной для бытовых электроприборов (за исключением напольных электроплит). Кроме того, квартирная электропроводка в домах старой застройки не приспособлена для включения электроприборов мощностью более 1,3 кВт.

Чтобы интенсифицировать труд в личных подсобных хозяйствах, коллективных садах и огородах, возникла необходимость в более мощных электрифицированных машинах и инструментах с трехфазными электродвигателями.

Системы распределения. Между любой парой фазных проводов действует линейное, или межфазное напряжение, а между любым из фазных и нулевым – фазное. При нормальных эксплуатационных условиях линейное напряжение в 1,73 раза больше фазного. Так, если линейное напряжение 380 В, то фазное – 220 В. Трехфазные электрические сети принято характеризовать значением линейного напряжения, но для сетей, непосредственно обслуживающих население, вслед за линейным напряжением после дробной черты приводят значение фазного напряжения, т. е. трехфазную четырехпроводную систему с линейным напряжением 380 В обозначают 380/220 В.

Поделиться:
Популярные книги

Кротовский, может, хватит?

Парсиев Дмитрий
3. РОС: Изнанка Империи
Фантастика:
попаданцы
альтернативная история
аниме
7.50
рейтинг книги
Кротовский, может, хватит?

Совершенный: охота. Часть 2

Vector
4. Совершенный
Фантастика:
боевая фантастика
рпг
5.00
рейтинг книги
Совершенный: охота. Часть 2

Попаданка в деле, или Ваш любимый доктор - 2

Марей Соня
2. Попаданка в деле, или Ваш любимый доктор
Любовные романы:
любовно-фантастические романы
7.43
рейтинг книги
Попаданка в деле, или Ваш любимый доктор - 2

Метатель. Книга 2

Тарасов Ник
2. Метатель
Фантастика:
боевая фантастика
попаданцы
рпг
фэнтези
фантастика: прочее
постапокалипсис
5.00
рейтинг книги
Метатель. Книга 2

Черный дембель. Часть 5

Федин Андрей Анатольевич
5. Черный дембель
Фантастика:
попаданцы
альтернативная история
5.00
рейтинг книги
Черный дембель. Часть 5

На границе империй. Том 7. Часть 2

INDIGO
8. Фортуна дама переменчивая
Фантастика:
космическая фантастика
попаданцы
6.13
рейтинг книги
На границе империй. Том 7. Часть 2

Знойные ветры юга. Часть 1

Чайка Дмитрий
8. Третий Рим
Фантастика:
попаданцы
альтернативная история
5.00
рейтинг книги
Знойные ветры юга. Часть 1

Сирийский рубеж 2

Дорин Михаил
6. Рубеж
Фантастика:
попаданцы
альтернативная история
5.00
рейтинг книги
Сирийский рубеж 2

Черный Маг Императора 6

Герда Александр
6. Черный маг императора
Фантастика:
юмористическое фэнтези
попаданцы
аниме
7.00
рейтинг книги
Черный Маг Императора 6

Монстр из прошлого тысячелетия

Еслер Андрей
5. Соприкосновение миров
Фантастика:
попаданцы
аниме
фэнтези
5.00
рейтинг книги
Монстр из прошлого тысячелетия

На границе империй. Том 7. Часть 5

INDIGO
11. Фортуна дама переменчивая
Фантастика:
боевая фантастика
космическая фантастика
попаданцы
5.00
рейтинг книги
На границе империй. Том 7. Часть 5

Адвокат империи

Карелин Сергей Витальевич
1. Адвокат империи
Фантастика:
городское фэнтези
попаданцы
фэнтези
5.75
рейтинг книги
Адвокат империи

Боевая ботаника и с чем ее едят

Дэвлин Джейд
Любовные романы:
любовно-фантастические романы
5.00
рейтинг книги
Боевая ботаника и с чем ее едят

Черный Маг Императора 17

Герда Александр
17. Черный маг императора
Фантастика:
юмористическое фэнтези
попаданцы
аниме
фэнтези
фантастика: прочее
5.00
рейтинг книги
Черный Маг Императора 17