Чтение онлайн

на главную - закладки

Жанры

Шрифт:

Катушки L1 и L2 размещены на каркасе (рис. 2.8), изготовленном из стеклотекстолита или любого другого изоляционного материала.

Рис. 2.8. Конструкция каркаса катушек L1 и L2

Катушка L1 содержит 20 витков, а L2 – 60 витков провода ПЭВ-2 диаметром 0,31 мм, намотанных виток к витку. Катушки защищены электростатическим экраном, который представляет собой незамкнутую ленту из латуни, намотанную на поверхность каркаса. Щель между

началом и концом намотки ленты должна составлять не менее 10 мм.

При изготовлении катушек особо надо следить за тем, чтобы не произошло замыкание концов ленты, поскольку в этом случае образуется короткозамкнутый виток.

Катушка L3 содержит 160 витков, а L4 – 50 витков провода ПЭЛШО диаметром 0,12 мм, намотанных внавал на каркас диаметром 7,5 мм. Внутри каркаса устанавливается подстроечный сердечник диаметром 2,5 мм и длиной 12 мм, выполненный из феррита 600НН. Каркас с катушками L3 и L4 помещается в электростатический экран с отверстием напротив подстроечного сердечника. Экран должен быть заземлен.

Плата с расположенными на ней элементами и источник питания размещаются в любом подходящем пластмассовом или деревянном корпусе. На крышке корпуса устанавливаются индикатор PA1, выключатель S1, а также разъем Х1 для подключения катушек L1 и L2. Эти элементы соединяются с платой гибким многожильным проводом.

Каркас с катушками L1 и L2 размещается на конце любой удобной ручки. При этом выводы катушек соединяются с ответной частью разъема Х1 гибким многожильным экранированным проводом.

В качестве источника питания В1 можно использовать, например, три батарейки 3336Л, соединенные последовательно, или аккумуляторную батарею.

Налаживание

Перед настройкой прибор следует расположить так, чтобы поисковая катушка L2 находилась на расстоянии не менее 1,5 м от металлических предметов.

К катушке L1 необходимо подключить осциллограф и, подбирая величины емкостей конденсаторов С1, С2, установить частоту измерительного генератора, выполненного на транзисторах Т1 и Т2, равной 100 Гц. Форма колебаний корректируется подбором сопротивлений резисторов R1-R3. Аналогично налаживается опорный генератор, при этом осциллограф подключается к катушке L4, а форма колебаний корректируется подбором сопротивлений резисторов R4-R6. Перед началом настройки подстроечный сердечник катушки L4 следует установить в среднее положение.

Далее необходимо установить на катушках L1 и L4 равные амплитуды колебаний, которые должны находиться в пределах 0,8–1 В. При необходимости амплитуду сигналов можно изменить подбором числа витков катушек L1 и L4. После этого, вращая подстроечный сердечник катушки L3, следует установить стрелку индикатора PA1 на нулевую отметку шкалы.

Порядок работы

Особенностью данного металлоискателя является то, что при проведении поисковых работ выполнять какие-либо дополнительные настройки и регулировки не требуется.

При приближении к измерительной катушке L2 предмета из черного металла рабочая частота измерительного генератора уменьшается. При этом стрелка индикатора PA1 отклоняется в какую-либо сторону. Если же предмет изготовлен из цветного металла, например из латуни, частота колебаний измерительного генератора увеличивается. При этом стрелка индикатора

отклоняется в противоположную сторону. Таким образом можно определить не только наличие металлического предмета в зоне действия поисковой катушки, но и оценить, из какого металла, цветного или черного, он изготовлен.

С помощью рассмотренного металлодетектора металлические предметы типа консервных банок можно обнаруживать на глубине до 20–30 см.

2.4. Металлоискатель со светодиодной индикацией

Много лет назад в журнале «Funkamateur» (1980, № 1), издававшемся в существовавшей тогда ГДР, была опубликована схема оригинального прибора, предназначенного для обнаружения в стенах скрытой электропроводки или водопроводных труб. После незначительных изменений, внесенных в схему и конструкцию этого устройства, его вполне можно использовать в качестве простого металлоискателя со светодиодной индикацией.

Следует отметить, что данный прибор, к сожалению, не позволяет определять примерные габариты и глубину залегания обнаруженного предмета, а также вид металла, из которого он изготовлен.

Принципиальная схема

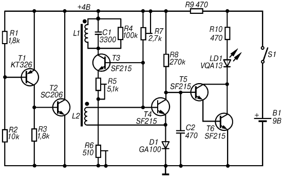
Предлагаемая вниманию читателей конструкция представляет собой один из вариантов металлодетекторов типа FM (Frequency Meter), то есть является устройством, в основу которого положен принцип анализа девиации частоты опорного генератора под влиянием металлических предметов, попавших в зону действия поисковой катушки. При этом решение о наличии металлического предмета принимается по срыву колебаний ВЧ-генератора, регистрируемому специальным приемником и фиксируемому визуально. Главными отличительными особенностями данного прибора можно считать интересное схемотехническое решение анализатора, а также использование светодиода в качестве индикатора (рис. 2.9).

Рис. 2.9. Принципиальная схема металлоискателя со светодиодной индикацией

Основу схемы предлагаемого металлодетектора составляют ВЧ-генератор, детектор ВЧ колебаний, усилитель постоянного тока с индикатором на светодиоде и стабилизатор питающего напряжения. Генератор высокой частоты выполнен на транзисторе Т3, в коллекторную цепь которого включен колебательный контур, состоящий из катушки L1 и конденсатора С1, зашунтированных резистором R4. Рабочая частота ВЧ-генератора составляет около 100 кГц и определяется индуктивностью катушки L1, которая одновременно является поисковой катушкой, и емкостью конденсатора С1.

При отсутствии в зоне действия катушки L1 металлических предметов ВЧ-сигнал, возбуждаемый в катушке связи L2, детектируется специальным детектором, в качестве которого используется эмиттерный переход транзистора Т4. При этом транзистор Т4 открывается. В результате, транзисторы Т5 и Т6, на которых собран усилитель постоянного тока, будут закрыты, а светодиод LD1 не светится.

После того как вблизи поисковой катушки L1 окажется металлический предмет, ее индуктивность изменится. Это приведет к срыву колебаний ВЧ-генератора, что будет сразу зарегистрировано транзистором Т4, который закроется. При этом транзисторы Т5 и Т6 откроются, а светодиод LD1 начнет светиться.

Поделиться:
Популярные книги

Покоривший СТЕНУ 4: Четыре ответа

Мантикор Артемис
4. Покоривший СТЕНУ
Фантастика:
фэнтези
попаданцы
рпг
5.00
рейтинг книги
Покоривший СТЕНУ 4: Четыре ответа

Неправильный красноармеец Забабашкин

Арх Максим
2. Неправильный солдат Забабашкин
Фантастика:
попаданцы
альтернативная история
5.00
рейтинг книги
Неправильный красноармеец Забабашкин

Командор космического флота

Борчанинов Геннадий
3. Звезды на погонах
Фантастика:
боевая фантастика
космическая фантастика
космоопера
5.00
рейтинг книги
Командор космического флота

Кодекс Охотника. Книга XIV

Винокуров Юрий
14. Кодекс Охотника
Фантастика:
боевая фантастика
попаданцы
аниме
5.00
рейтинг книги
Кодекс Охотника. Книга XIV

Контракт с подонком

Рам Янка
Любовные романы:
современные любовные романы
5.00
рейтинг книги
Контракт с подонком

Первый среди равных. Книга X

Бор Жорж
10. Первый среди Равных
Фантастика:
попаданцы
аниме
фэнтези
фантастика: прочее
5.00
рейтинг книги
Первый среди равных. Книга X

Горизонт Вечности

Вайс Александр
11. Фронтир
Фантастика:
боевая фантастика
космическая фантастика
космоопера
5.00
рейтинг книги
Горизонт Вечности

Газлайтер. Том 1

Володин Григорий
1. История Телепата
Фантастика:
попаданцы
альтернативная история
аниме
5.00
рейтинг книги
Газлайтер. Том 1

Сборник коротких эротических рассказов

Коллектив авторов
Любовные романы:
эро литература
love action
7.25
рейтинг книги
Сборник коротких эротических рассказов

Тайны затерянных звезд. Том 3

Лекс Эл
3. Тайны затерянных звезд
Фантастика:
боевая фантастика
космическая фантастика
космоопера
5.00
рейтинг книги
Тайны затерянных звезд. Том 3

Тактик

Земляной Андрей Борисович
2. Офицер
Фантастика:
альтернативная история
7.70
рейтинг книги
Тактик

Княжья Русь

Мазин Александр Владимирович
6. Варяг
Приключения:
исторические приключения
9.04
рейтинг книги
Княжья Русь

Испытание Системы III

Котов Артём
3. Испытания системы
Фантастика:
попаданцы
рпг
фэнтези
фантастика: прочее
5.00
рейтинг книги
Испытание Системы III

Эволюционер из трущоб. Том 5

Панарин Антон
5. Эволюционер из трущоб
Фантастика:
попаданцы
аниме
фэнтези
фантастика: прочее
5.00
рейтинг книги
Эволюционер из трущоб. Том 5