Чтение онлайн

на главную - закладки

Жанры

Шрифт:

При изготовлении катушки L1 нужно внимательно следить за тем, чтобы не произошло замыкание концов экранирующей ленты, поскольку в этом случае образуется короткозамкнутый виток. Для повышения механической прочности катушку можно пропитать эпоксидным клеем.

К выводам катушки следует подпаять проводники двужильного экранированного кабеля длиной около метра, на другом конце которого устанавливается разъем типа СШ-3 или любой другой подходящий малогабаритный разъем. Оплетку кабеля необходимо соединить с экраном катушки. В рабочем положении разъем катушки

подключается к ответной части разъема, расположенной на корпусе прибора.

Питание металлоискателя повышенной чувствительности осуществляется от источника В1 напряжением 4,5 В. В качестве такого источника можно использовать, например, так называемую квадратную батарейку типа 3336Л или три элемента типа 316, 343, соединенные последовательно.

Печатная плата с расположенными на ней элементами и источник питания размещаются в любом подходящем пластмассовом или деревянном корпусе. На крышке корпуса устанавливаются переменные резисторы R7 и R16, разъем Х1 для подключения поисковой катушки L1, выключатель S1, а также разъем Х2 для подключения головных телефонов BF1.

Налаживание

Как и при регулировке других металлоискателей, настройку данного прибора нужно проводить в условиях, когда металлические предметы удалены от поисковой катушки L1 на расстояние не менее 1,5 м.

Непосредственное налаживание металлодетектора следует начать с выбора нужной частоты биений. Для этого рекомендуется воспользоваться осциллографом или цифровым частотомером.

При работе с осциллографом его пробник необходимо подключить к точке соединения резисторов R1, R4, R5 и конденсатора С8, то есть к входу детектора. Осциллограмма в этой точке напоминает осциллограмму модулированного ВЧ-сигнала. Далее, подстраивая катушку L2 и подбирая емкости конденсаторов С2 и С6, нужно добиться того, чтобы частота модуляции (частота биений) была бы равна примерно 10 Гц.

При использовании цифрового частотомера для настройки металлоискателя частотомер следует подключить сначала к коллекторной цепи транзистора Т1, а затем – к коллектору транзистора Т2. Подбирая параметры указанных ранее элементов (индуктивность катушки L2, емкости конденсаторов С2 и С6), необходимо добиться того, чтобы разность частот сигналов на коллекторах транзисторов Т1 и Т2 составляла примерно 10 Гц.

Далее подбором резистора R8 устанавливается максимальный коэффициент усиления каскада, выполненного на транзисторе Т3.

При отсутствии осциллографа и частотомера подбор нужной частоты биений можно выполнить и без них. При этом необходимо сначала установить в среднее положение движок резистора R7, а затем, вращая подстроечный сердечник катушки L2, добиться появления в телефонах щелчков с частотой примерно 1–5 Гц. Если установить нужную частоту не удается, следует подобрать емкость конденсатора С6. Чтобы уменьшить влияние фона грунта, окончательный подбор частоты биений следует осуществлять при приближении поисковой катушки L1 к земле.

На этом процесс настройки металлоискателя с повышенной чувствительностью заканчивается.

Порядок работы

При практическом использовании данного металлодетектора следует переменным резистором R7 поддерживать необходимую частоту сигнала биений,

которая изменяется при разряде батареи, при изменении температуры окружающей среды или при девиации магнитных свойств грунта. Также нужно отрегулировать громкость щелчков с помощью регулятора R16.

Если в процессе работы в зоне действия поисковой катушки L1 окажется какой-либо металлический предмет, частота сигнала в телефонах изменится. При приближении к одним металлам частота сигнала биений будет увеличиваться, а при приближении к другим – уменьшаться. По изменению тона сигнала биений, имея определенный опыт, можно легко определить, из какого металла, магнитного или немагнитного, изготовлен обнаруженный предмет.

С помощью такого металлоискателя мелкие предметы, например гвозди, можно обнаружить под слоем почвы на глубине до 10–15 см, а крупные (например крышки колодцев) – на глубине до 50–60 см.

2.6. Металлоискатель МИ-2

В первой половине 70-х годов прошлого столетия в Советском Союзе был разработан и серийно выпускался металлоискатель МИ-2, который широко использовался в народном хозяйстве. Схема и конструкция этого прибора неоднократно дорабатывались и усовершенствовались. Один из известных вариантов металлодетектора МИ-2 можно рекомендовать начинающим радиолюбителям для повторения.

Принципиальная схема

Как и некоторые рассматривавшиеся ранее конструкции, металлодетектор МИ-2 представляет собой один из многочисленных вариантов прибора типа BFO (Beat Frequency Oscillator), то есть является устройством, в основу которого положен принцип анализа биений двух частот. При этом в данной конструкции оценка изменения частоты осуществляется на слух (рис. 2.12).

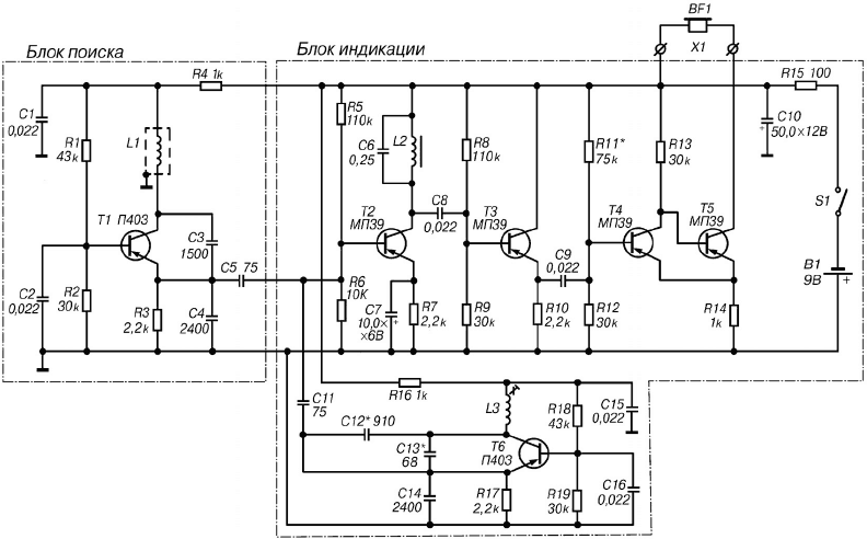
Рис. 2.12. Принципиальная схема металлоискателя МИ-2

Основу схемы прибора составляют измерительный и опорный генераторы, емкостной каскад, эмиттерный повторитель, триггер Шмитта и головные телефоны.

Измерительный генератор выполнен на транзисторе Т1, включенном по схеме с общей базой. Рабочая частота этого генератора определяется параметрами колебательного контура, который состоит из поисковой катушки L1 и конденсаторов С3, С4. Напряжение обратной связи, необходимое для самовозбуждения, подается с коллектора транзистора Т1 в цепь эмиттера через емкостной делитель С3, С4. В результате на выходе измерительного генератора формируется синусоидальный сигнал с частотой 510 кГц.

Опорный генератор выполнен на транзисторе Т6 по схеме, аналогичной схеме измерительного генератора. Рабочая частота этого генератора определяется параметрами колебательного контура, который состоит из катушки L3 с латунным подстроечным сердечником и конденсаторов С12, С13 и С14.

Колебания с опорного и измерительного генераторов через конденсаторы С5 и С11 поступают на вход смесителя, который выполнен на транзисторе Т2. В коллекторную цепь транзистора Т2 включен контур, состоящий из катушки L2 и конденсатора C6, в котором выделяются колебания разностной частоты.

Поделиться:
Популярные книги

Темный Лекарь 6

Токсик Саша
6. Темный Лекарь
Фантастика:
аниме
фэнтези
5.00
рейтинг книги
Темный Лекарь 6

Оживший камень

Кас Маркус
1. Артефактор
Фантастика:
городское фэнтези
попаданцы
аниме
5.00
рейтинг книги
Оживший камень

Бастард

Майерс Александр
1. Династия
Фантастика:
попаданцы
аниме
фэнтези
5.00
рейтинг книги
Бастард

Дикая фиалка заброшенных земель

Рейнер Виктория
1. Попаданки рулят!
Любовные романы:
любовно-фантастические романы
эро литература
5.00
рейтинг книги
Дикая фиалка заброшенных земель

Идеальный мир для Лекаря 23

Сапфир Олег
23. Лекарь
Фантастика:
юмористическое фэнтези
аниме
фэнтези
5.00
рейтинг книги
Идеальный мир для Лекаря 23

Морской волк. 1-я Трилогия

Савин Владислав
1. Морской волк
Фантастика:
альтернативная история
8.71
рейтинг книги
Морской волк. 1-я Трилогия

Газлайтер. Том 4

Володин Григорий
4. История Телепата
Фантастика:
попаданцы
альтернативная история
аниме
5.00
рейтинг книги
Газлайтер. Том 4

Наследие Маозари 5

Панежин Евгений
5. Наследие Маозари
Фантастика:
фэнтези
юмористическое фэнтези
5.00
рейтинг книги
Наследие Маозари 5

Искатель 2

Шиленко Сергей
2. Валинор
Фантастика:
фэнтези
попаданцы
рпг
5.00
рейтинг книги
Искатель 2

Локки 6. Потомок бога

Решетов Евгений Валерьевич
6. Локки
Фантастика:
аниме
фэнтези
5.00
рейтинг книги
Локки 6. Потомок бога

Газлайтер. Том 6

Володин Григорий
6. История Телепата
Фантастика:
попаданцы
альтернативная история
аниме
5.00
рейтинг книги
Газлайтер. Том 6

Жена фаворита королевы. Посмешище двора

Семина Дия
Фантастика:
фэнтези
5.00
рейтинг книги
Жена фаворита королевы. Посмешище двора

Я уже граф. Книга VII

Дрейк Сириус
7. Дорогой барон!
Фантастика:
боевая фантастика
попаданцы
аниме
5.00
рейтинг книги
Я уже граф. Книга VII

Неудержимый. Книга XXI

Боярский Андрей
21. Неудержимый
Фантастика:
попаданцы
аниме
фэнтези
5.00
рейтинг книги
Неудержимый. Книга XXI