Чтение онлайн

на главную - закладки

Жанры

"Шпионские штучки" и устройства для защиты объектов и информации
Шрифт:

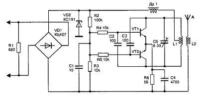
Рис. 2.33. Радиомикрофон-радиоретранслятор с питанием от телефонной линии

Выпрямительный мост VD1 типа КЦ407 подключается параллельно телефонной линии независимо от полярности напряжения в линии.

Напряжение в линии при положенной трубке имеет значение около 60 В. Это напряжение прикладывается к блоку питания, который выполнен на микросхеме DA1, резисторе R1, конденсаторе С1 и транзисторах VT1 и VT2. Микросхема DA1 типа КЖ101 представляет собой стабилизатор тока,

работающий при напряжениях 1,8-120 В. Падение напряжения при протекании стабильного тока через нагрузку во время заряда конденсатора С1 ограничено аналогом низковольтного стабилитрона, собранного на транзисторах VT1 и VT2. При положенной трубке устройство работает как радиомикрофон. Описание схемы радиомикрофона и его настройка приведены в разделе 2.1. При снятой трубке незначительное изменение тока, протекающего через нагрузку — радиомикрофон, вызывает изменение рабочей точки транзистора VT3 и, тем самым, осуществляет частотную модуляцию радиомикрофона.

Транзисторы VT1 и VT2 можно заменить на КТ315 и КТ361 соответственно. Конденсатор С1 с минимальным током утечки. Настройка источника питания сводится к установке резистором R1 тока, протекающего через нагрузку. Ток в точке А не должен превышать 1,5 мА.

2.3. Акустические микрофоны и преобразователи

Микрофоны, как известно, преобразуют энергию звукового сигнала в электрический сигнал. В совокупности со специальными усилителями и фильтрующими элементами они могут быть использованы в качестве устройств, позволяющих получать необходимую информацию. Для этого, например, может быть создана скрытая проводная линия связи, обнаружить которую можно лишь физическим поиском, либо проводя контрольные измерения сигналов во всех проводах, имеющихся в помещении. Естественно, что методы радиоконтроля, эффективные для поиска радиопередатчиков, в данном случае не имеют смысла.

Кроме перехвата непосредственно звуковых колебаний, некоторые микрофоны, так называемые микрофоны-стетоскопы, могут очень хорошо воспринимать разнообразные звуки, распространяющиеся по строительным конструкциям здания. Их используют для прослушивания помещений сквозь стены, двери, открытые окна и форточки.

Для получения информации, идущей только с одного направления, используются узконаправленные микрофоны. В простейших из них узкая диаграмма направленности формируется за счет использования длинной трубки и микрофона, установленного в ней. Трубка маскируется под трость или зонт. В более сложных конструкциях могут использоваться несколько трубок различной длины — это так называемый микрофон органного типа. Такой микрофон способен улавливать звуки голоса на расстоянии до 1000 метров. Высокую направленность имеют также микрофоны, в которых диаграмма направленности формируется параболическим концетратором звука.

Ниже приведены схемы и описания некоторых конкретных устройств.

Чувствительный микрофон с усилителем на малошумящих транзисторах

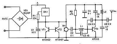
Конструирование чувствительных усилителей для прослушивания речи имеет свои особенности. Одна из практических схем микрофонного усилителя приведена на рис. 2.34.

Рис. 2.34. Микрофон на малошумящих транзисторах

Это устройство содержит двухкаскадный усилитель низкой частоты на малошумящих транзисторах VT1 к VT2, корректирующий фильтр на транзисторе VT3 и оконечный усилитель, собранный по двухтактной бестрансформаторной схеме, на транзисторах VT4-VT6. Акустическое усиление сигнала звуковой частоты, приведенным устройством составляет 85 дБ, начальный ток потребления — 1,8 мА, полоса усиливаемых частот — от 0,3 до 3 кГц. Максимальный выходной уровень сигнала — 124 дБ.

Сигнал с микрофона M1 типа "Сосна" через конденсатор С1 поступает на базу транзистора VT1. Поскольку

чувствительность усилителя звуковой частоты ограничена внутренними шумами транзисторов, то для уменьшения шумов в первых каскадах усилителя использованы малошумящие транзисторы типа КТ3102.

Усилительные каскады на транзисторах VT1 и VT2 охвачены глубокой отрицательной обратной связью, которая позволяет обеспечить устойчивую работу каскадов и более линейную АЧХ. Нагрузкой второго каскада усилителя является переменный резистор R3, он же является и регулятором громкости. Сложный RC-фильтр, состоящий из элементов R3, С5, R6, С6, R7, С7 отсекает "шумовые" ВЧ составляющие, принимаемые микрофоном, и оставляет только сигналы в полосе частот до 4 кГц. Этот диапазон обеспечивает наибольшую разборчивость речевой информации.

С выхода фильтра сигнал поступает на оконечный усилитель звуковой частоты, выполненный на транзисторах VT4, VT5 типа КТ315 и транзисторе VT6 тина КТ361. Нагрузкой усилителя служит головной телефон типа ТМ-2А или ТЭМ. Резисторы в схеме используются типа МЛТ-0,125. Резистор R3 — СПЗ-41 или другой небольших габаритов.

Настройка устройства сводится к подбору сопротивлений резисторов R1 и R16 для установки напряжения в точках А и В равным половине напряжения питания.

Микрофон для обнаружения слабых акустических сигналов на специализированной микросхеме

В отличие от предыдущего устройства, собранного на дискретных элементах, предлагаемое устройство собрано на широко распространенной микросхеме типа К237УН1 и предназначено для обнаружения слабых акустических сигналов. Принципиальная схема устройства приведена на рис. 2.35.

Рис. 2.35. Микрофон на специализированной микросхеме

В схеме использован электретный микрофон типа МКЭ-333. Сигнал с микрофона M1 поступает на вход микросхемы DA1 типа К237УН1, которая представляет собой усилитель низкой частоты. Усилитель включен по типовой схеме. Транзисторы VT1 типа KT315 и VT2 типа КТ361 выполняют роль эмиттерных повторителей и служат для усиления сигнала по току. В качестве нагрузки используется телефон типа ТМ-2А.

Настройка усилителя звуковой частоты заключается в получении максимальной мощности сигнала на выходе микросхемы DA1 путем изменения сопротивления резистора R3. Сопротивление резистора R3 подбирают таким, чтобы при номинальном напряжении питания 9 В и отсутствии сигнала звуковой частоты на входе микросхемы DA1 потенциал на выводе 1 микросхемы DA1 находился в пределах 3,75-3,85 В.

В случае неустойчивой работы усилителя, его самовозбуждения, необходимо между выходом микрофона M1 и конденсатором С2 включить резистор сопротивлением 2-68 кОм.

Устройство работоспособно в диапазоне питающих напряжений 3–9 В, потребляемый при этом ток составляет 2–6 мА.

Вместо микрофона возможно подключение многовитковой катушки индуктивности. Она подключается между точками А и В схемы. Микрофон M1 и резистор R1 при этом отключаются. В последнем случае возможна регистрация переменных магнитных полей.

Направленный микрофон органного типа

Необходимо помнить, что микрофонный усилитель усиливает звуки, приходящие со всех сторон, и, если соотношение сигнал/шум будет недостаточным, нужно применять пространственные направляющие системы (направленные микрофоны). В этом случае дистанционное звуковое прослушивание ведется с помощью дистанционно направленных микрофонов, имеющих очень узкую диаграмму направленности. С помощью такого микрофона можно прослушать разговор на расстоянии до 1 км в пределах прямой видимости и имеет место принцип: "поблизости никого нет, но тем не менее вас хорошо прослушивают". Использование явления резонанса звуковых волн в направленных системах приводит к увеличению уровня сигнала звуковой энергии, который поступает в микрофон.

Поделиться:
Популярные книги

Страсть генерального

Брамс Асти
Любовные романы:
современные любовные романы
эро литература
6.25
рейтинг книги
Страсть генерального

Восход. Солнцев. Книга VIII

Скабер Артемий
8. Голос Бога
Фантастика:
фэнтези
попаданцы
аниме
5.00
рейтинг книги
Восход. Солнцев. Книга VIII

Вперед в прошлое 3

Ратманов Денис
3. Вперёд в прошлое
Фантастика:
попаданцы
альтернативная история
5.00
рейтинг книги
Вперед в прошлое 3

Тепла хватит на всех 3

Котов Сергей
3. Миры Пентакля
Фантастика:
научная фантастика
боевая фантастика
космическая фантастика
попаданцы
5.00
рейтинг книги
Тепла хватит на всех 3

Начальник милиции. Книга 5

Дамиров Рафаэль
5. Начальник милиции
Фантастика:
попаданцы
альтернативная история
5.00
рейтинг книги
Начальник милиции. Книга 5

Личный аптекарь императора. Том 5

Карелин Сергей Витальевич
5. Личный аптекарь императора
Фантастика:
городское фэнтези
попаданцы
аниме
сказочная фантастика
фэнтези
7.50
рейтинг книги
Личный аптекарь императора. Том 5

Виконт, который любил меня

Куин Джулия
2. Бриджертоны
Любовные романы:
исторические любовные романы
9.13
рейтинг книги
Виконт, который любил меня

Измена. Право на счастье

Вирго Софи
1. Чем закончится измена
Любовные романы:
современные любовные романы
5.00
рейтинг книги
Измена. Право на счастье

Как я строил магическую империю 7

Зубов Константин
7. Как я строил магическую империю
Фантастика:
попаданцы
постапокалипсис
аниме
фантастика: прочее
5.00
рейтинг книги
Как я строил магическую империю 7

Тринадцатый XIII

NikL
13. Видящий смерть
Фантастика:
городское фэнтези
аниме
фэнтези
попаданцы
5.00
рейтинг книги
Тринадцатый XIII

В зоне особого внимания

Иванов Дмитрий
12. Девяностые
Фантастика:
попаданцы
альтернативная история
5.00
рейтинг книги
В зоне особого внимания

Адвокат Империи 4

Карелин Сергей Витальевич
4. Адвокат империи
Фантастика:
городское фэнтези
аниме
дорама
фэнтези
фантастика: прочее
попаданцы
5.00
рейтинг книги
Адвокат Империи 4

Изгой Проклятого Клана. Том 2

Пламенев Владимир
2. Изгой
Фантастика:
попаданцы
аниме
фэнтези
фантастика: прочее
5.00
рейтинг книги
Изгой Проклятого Клана. Том 2

Сирийский рубеж 3

Дорин Михаил
7. Рубеж
Фантастика:
попаданцы
альтернативная история
5.00
рейтинг книги
Сирийский рубеж 3